![]() |
|
| Appunti tecniche |
|
| Visite: 3083 | Gradito: |
Leggi anche appunti:Adc 0804ADC 0804 Convertitore A/D con visualizzazione esadecimale su due display Schema elettrico Strumenti utilizzati ADC0804; varie Sistema di controllo codice PIN per CASSAFORTE ELETTRONICASistema di controllo codice PIN per CASSAFORTE ELETTRONICA Descrizione: Questo Convertitore I/VConvertitore I/V Nel caso si voglia convertire una corrente in una tensione, |
![]() |
![]() |
Sensori e trasduttori
Proverò a spiegare in minuti ciò che ho studiato in ore riguardo ciò che
l'uomo ha fatto in anni cercando di imitare ciò che madre natura
sta' facendo da di anni
Tobia Piccoli
Riguardo a ciò che ho detto sull'opera di madre natura sottolineo alcuni sensori naturali
Le vibrisse dei gatti, l'avanzatissimo sistema radar dei pipistrelli etc.
Introduction What's a sensor?
Cos'è un sensore (almeno per noi ingegneri)? Fondamentalmente un dispositivo sensibile a una grandezza che si vuole misurare, collocato in un determinato punto di misura, che in grado di rilevare le variazioni di questa grandezza modificando una delle proprie caratteristiche fisiche. L'alterazione di una di queste caratteristiche non però sufficiente, da sola, a fornirci un'informazione utile ai nostri scopi; perché ciò sia così dovremmo porre a valle del sensore una cosiddetta rete di manipolazione, o condizionamento, del segnale, che si occuperà di amplificarlo e, sempre più spesso, di convertirlo in un segnale digitale (operazioni di campionamento e quantizzazione). L'insieme del sensore e della rete di condizionamento del segnale costituisce iln trasduttore.
Ready to start Classisti!
Possiamo dividere i sensori e trasduttori in due categorie:
sensori attivi: forniscono in uscita un segnale elettrico attivo (tensione o corrente) ottenuto grazie ad una trasformazione di energia da chimica, meccanica, termica in elettrica
sensori passivi: la grandezza da misurare influenza una grandezza elettrica passiva
(resistenza, capacità) alimentata da sorgenti esterne di energia
trasduttori analogici: quando il segnale di uscita una grandezza elettrica che varia in modo
continuo mantenendo una doppia corrispondenza con il valore della grandezza misurata (in questo caso non sarà inserito il converitore analogico digitale citato al cap.1
trasduttori digitali: quando il segnale di uscita composto da segnali digitali che possono assumere due soli valori identificai come e in questo caso l'informazione sarà costituita da un treno di impulsi organbizzati diversamente a seconda del valore assunto dalla grandezza
Sensori attivi Active sensors
Come già detto i sensori attivi ci forniranno in uscita una tensione o una corrente. Un sensore attivo potrà quindi essere sempre rappresentato dalle espressioni:
V f(X) o I f(X), dove x rappresenta la grandezza da misurare. Difficilmente riusciremo ad ottenere un legame fra U (o I) ed X lineare, mentre sarà sempre verificata la condizione
V(X)
I(X) per X
poiché la relazione funzionale che lega le grandezze deriva da interazioni di tipo energetico.
Example of active sensors:
1)Termocouples Termocoppie
Costituite da fili di metalli diversi, saldati insieme ad una delle estremità. Per effetto Seebeck ogni giunzione di due metalli diversi fornisce una forza elettromotrice direttamente dipendente dalla temperatura alla quale si trova. Sono sensori robusti di facile installazione e basso costo, uscita lineare entro un certo range di temperatura. Cause maggiori di errore sono: modalità di applicazione del giunto caldo all'oggetto, capacità termica del sensore, la trasmissione del calore attraverso i conduttori, per cui la termocoppia tende a raggiungere l'equilibrio termico con tutto l'ambiente entro la quale si trova, e non soltanto con l'oggetto di cui vogliamo conoscere la temperatura.
2)Tachometer generators generatori tachimetrici
Convertono la velocità di rotazione di un organo rotante in una forza elettromotrice continua o alternata e sono essenzialmente una dinamo o un alternatore. Nel caso degli alternatori si preferisce effettuare una misura della frequenza e non della tensione.
Photoelectric sensors sensori fotoelettrici
Vengono utilizzati per misure di intensità luminosa, e generano una corrente proporzionale alla potenza della radiazione incidente. I più usati sono basati su fotodiodi
4)Piezoeletric sensors sensori piezoelettrici
Sono costituiti appunto da materiali piezoelettrici, materiali in grado di convertire uno sforzo meccanico in uno elettrico (e viceversa). Sottoponendo dei cristalli opportunamente tagliati a sforzi di trazione, compressione o taglio, sulle facce di questi cristalli si originano cariche elettriche dell'ordine di C/N, che producono sulla capacità propria del cristallo e su eventuali capacità esterne delle differenze di potenziale misurabili con strumenti ad alta impedenza. Materiale solitamente usato il quarzo. Per un sensore piezoelettrico si definisce sensibilità di carica la grandezza Sc Q/P (C/N), dove Q denota la carica elettrica generata e P la forza esercita sul sensore.
Poiché V Q/C V=Sc*P/C, dove V la forza elettromotrice generata e C la capacità equivalente dell'intero sistema a monte del quale si rileva V (incluso i cavi di collegamento e la capacità di ingresso dello strumento di misura) abbiamo che la sensibilità in tensione del trasduttore data da
Sv Sc/C. Spesso si antepongono allo stru,mento di misura degli amplificatori di carica, detti anche integratori, che svincolano la sensibilità dalle variazioni di C (dovute ad esempio alla temperatura).
Sensori passivi Passive sensors.
Come già accennato la grandezza da misurare influenzerà un parametro quale la resistenza o la capacità del sensore, che verrà alimentato da una sorgente esterna di energia.
Example of passive sensors:
1)Thermometers termometri
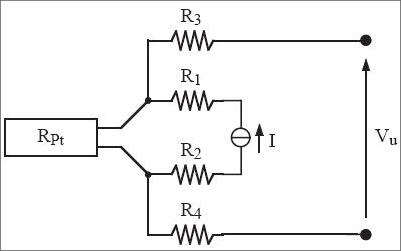
Il circuito base di utilizzo il seguente.

Si tratta di una termosonda aresistenza di platino. Prevede un generatore di corrente costante I che alimenta la serie R1 R2 e la resistenza al platino Rpt. Ai morsetti di quest'ultimo andiamo a prelevare la cadiuta di tensione che determina la tensione di uscita Vu. R3 ed R4 sono inseriti per aumentare l'impedenza totale del nostro circuito, che necessita di un'impedenza assai elevata. Così com'è il circuito una variazione della reistenza Rpt, causata da una variazione della temperatura, fa' variare la resistenza totale e quindi la Vu.
2)Extensimeters Estensimetri
Sono sensori che consentono di trasformare una deformazione meccanica in una variazione di resistenza. Gli estensimetri a filo sono costituiti da fili sottilissimi di materiale conduttore che sottoposti a una deformazione meccanica variano la loro resistenza in base alla seconda legge di Ohm (allungandosi il filo riduce il diametro e aumenta la lunghezza quindi la resistenza opposta da questo aumenta secondo: R=ρ*l/S). La loro sensibilità definita come:
Gf(=gauge factor) (ΔR/R)/(ΔL/L), ossia il rapporto fra le variazioni relative di resistenza e di lunghezza. Il tipo di estensimetri a semi conduttore sfrutta invece il fenomeno della piezo resistività.
Character of the sensors caratteristiche dei sensori
Ecco alcuni parametri di intesse dei sensori:
1)Principio operativo (variazione di resistenza, induttanza, capacità)
2)Tipo e caratteristiche dell'alimentazione esterna (corrente o tensione costante)
3)Tipo di uscita (segnale di corrente, di tensione etc.)
4)Riproducibilità di comportamento (valori di uscita) in diverse condizioni operative
5)Stabilità
6)Affidabilità: capacità di rispettare le specifiche di funzionamento nel tempo.
7)Resistenza a condizioni di sovraccarico
8)Sensibilità: rapporto tra la variazione del valore misurato R e la variazione del valore reale E dellla grandezza considerata, per variazione arbitrariamente piccole: S dR/dE
9)Risoluzione: minima grandezza indicabile dallo strumento
10)Precisione: indica la ripetibiltà di una misura. Una misura tanto più precisa quanto minore la dispersione delle successive repliche della misura stessa intorno al valore medio.
11)Accuratezza: esprime lo scostamento fra il valore misurato e quello reale.
12)Linearità: definisce la costanza, su tutta la scala dello strumento, del rapporto fra la grandezza d'uscita e quella di ingresso al variare di quest'ultima
13)Prontezza: l'intervallo di tempo impiegato dallo strumento per fornire in uscita il valore della grandezza misurata, entro i suoi limiti ndi accuratezza.
14)Coefficiente di temperatura: la variazione relativa della grandezza in uscita, ad ingresso costante, al variare di di temperatura. Generalmente viene fornito in percentuale, specificando l'intervallo di temperatura entro il quale tale coefficiente si applica.
![]() |
| Appunti su: sensori appunti, Sensori e trasduttori riassunto, https:wwwappuntimaniacomtecnicheelettronica-elettricitasensori-e-trasduttori93php, |
|
| Appunti Ingegneria tecnico | ![]() |
| Tesine costruzione | ![]() |
| Lezioni Gestione | ![]() |