![]() |
|
| Appunti tecniche |
|
| Visite: 1805 | Gradito: |
Leggi anche appunti:Amplificatore antilogaritmicoAmplificatore antilogaritmico Scambiando l'elemento di ingresso con quello I trasformatoriI TRASFORMATORI Il trasformatore viene definito come una macchina statica Progetto di tecnologie dei sistemi di automazione - impianto per la gestione di un magazzino intermedioPROGETTO DI TECNOLOGIE DEI SISTEMI DI AUTOMAZIONE Impianto Per |
![]() |
![]() |
PROGETTO DI
TECNOLOGIE DEI SISTEMI DI AUTOMAZIONE
Impianto Per La Gestione di Un Magazzino Intermedio
1. Specifiche di sistema
1.1. Descrizione delle caratteristiche del sistema da controllare
L'impianto gestisce un magazzino intermedio che ha capienza massima di 15 pezzi.
Il nastro trasportatore 1 porta in ingresso al magazzino i pezzi che vengono invece rilevati tramite il nastro trasportatore 2. In corrispondenza dell'ingresso e dell'uscita del magazzino vi sono le due fotocellule B1 e B2 che segnalano rispettivamente l'ingresso e l'uscita di un pezzo.
A)Controllo del contenuto del magazzino
Le fotocellule B1 e B2 determinano l'incremento o il decremento di un contatore che indica il numero corrente di pezzi in magazzino;il pulsante S1 azzera il contatore se all'inizio del turno il magazzino è vuoto.
Il nastro trasportatore 1 viene gestito tramite i pulsanti S2 e S3 che attivano o disattivano il movimento del nastro effettuato dal motore M1. A protezione di quest'ultimo c'è un relè-termico che arresta immediatamente il motore M1 nel caso il sensore S5 rilevi la temperatura critica. Il nastro 2 è attivato in base a necessità della linea di montaggio.
Una lampada H1 segnala che il magazzino contiene un numero minore o uguale a 5 pezzi,
una lampada H2 segnala che il nastro trasportatore 1 è in movimento,
una lampada H3 segnala che il nastro trasportatore 1 è fermo,
una lampada H4 segnala che il motore M1 ha raggiunto la temperatura critica,
una lampada H5 segnala che il magazzino è pieno.
B)Controllo capienza massima
Se il contatore ha raggiunto il valore limite per la capienza del magazzino di 15 pezzi, il motore M1 deve essere immediatamente fermato.Un tentativo di accensione tramite il pulsante S2 non porta all'attivazione.del motore.
C)Controllo capienza minima
Se il contatore ha valore minore o uguale a 5, il motore M1 dev'essere avviato.Se invece il magazzino contiene più di 5 pezzi, una pressione del pulsante S2 provoca il movimento del nastro 1 e quindi l'ingresso di un pezzo in magazzino. Un tentativo di spegnimento tramite il pulsante S3 non porta alla disattivazione.del motore.
1.2. Descrizione dei componenti per il controllo del sistema
Il sistema di controllo è composto dai seguenti componenti:
Pulsanti:
Sensori:
3) Segnalazioni luminose:
4) Attuatori:
2. Progettazione del sistema software
2.1. Introduzione
Per la progettazione del sistema software si procederà per passi: si individueranno dapprima le variabili in gioco si procederà quindi con la decomposizione funzionale, rappresentato in questo contesto come macchina a stati finiti si giungerà poi agevolmente alla rappresentazione in SFC e alla conseguente traduzione in linguaggio a contatti direttamente scaricabile su un PLC.
2.2. Analisi delle variabili del sistema
Variabili di ingresso a livello:
S2, S3: variabili digitali per l'attivazione e la disattivazione del movimento del nastro trasportatore 1(le due variabili sono mutuamente esclusive)
B1,B2: Variabili digitali per il controllo del numero di pezzi in magazzino.
S5: Variabile digitale per il controllo della temperatura critica del motore M1
(S2)=1 interruttore per l'attivazione del movimento del nastro trasportatore 1 (non può essere attivo insieme ad S3)
(S3)=1 interruttore per la disattivazione del movimento del nastro trasportatore 1 (non può essere attivo insieme ad S2)
(B1)=1 pezzo in ingresso
(B2)=1 pezzo in uscita
(S5)=1 temperatura critica raggiunta dal motore M1
Variabili di ingresso su fronte di salita:
S1: variabile digitale per il reset del contatore.
(S1)=1 interruttore per il reset del contatore
S4: variabile impulsiva per l'arresto critico dell' impianto
(S4)=1 interruttore per l'arresto e lo spegnimento immediato dell'impianto
RESET: variabile impulsiva per il ripristino del normale funzionamento dopo l'arresto critico
(RESET)=1 interruttore per il ripristino del normale funzionamento dopo l'arresto critico
VARIABILI DI USCITA
Variabili di uscita a livello:
H1, H2, H3, H4, H5: variabili digitali per l'accensione delle lampadine
M1: variabile digitale che indica lo stato del motore
(H1)=1 magazzino con un numero di pezzi minore o uguale a 5
(H2)=1 nastro 1 in movimento
(H3)=1 nastro 1 fermo
(H4)=1 temperatura critica raggiunta dal motore M1
(H5)=1 magazzino pieno
(M1)=1 nastro1 in movimento
2.3. Rappresentazione in linguaggio SFC
Spia 1
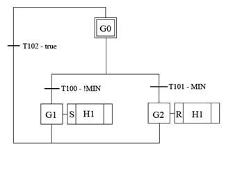
Questo ciclo controlla se il magazzino contiene un numero minore o uguale a 10 pezzi e in tal caso lo segnala. Dalla fase iniziale (G0) tramite le due transazioni mutuamente esclusive legate alla variabile MIN modificata dal contatore è possibile accendere (tramite l'azione legata alla fase G1) o spegnere (in G2) la spia relativa (H1).
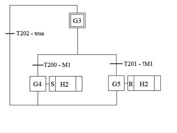
Spia 2
Questo ciclo controlla se il nastro
trasportatore 1 è in movimento e in tal
caso lo segnala. Dalla fase iniziale (G3) tramite le due transazioni mutuamente
esclusive legate al funzionamento o meno del motore M1 è possibile accendere
(tramite l'azione legata alla fase G4) o spegnere (in G5) la spia relativa
(H2).
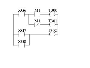
Spia 3
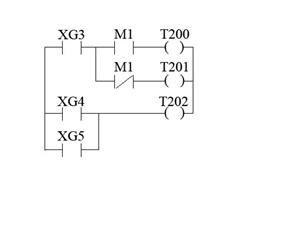
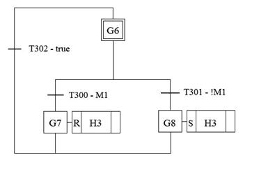
Questo ciclo controlla se il nastro traportatore 1 è fermo e in tal caso lo segnala. Dalla fase iniziale (G6) tramite le due transazioni mutuamente esclusive legate al funzionamento o meno del motore M1 è possibile spegnere (tramite l'azione legata alla fase G7) o accendere (in G8) la spia relativa (H3).
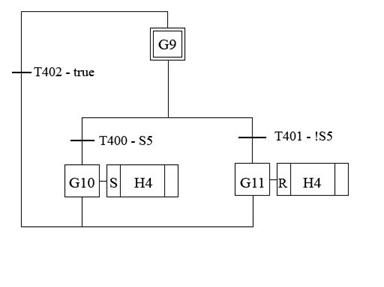
Spia 4
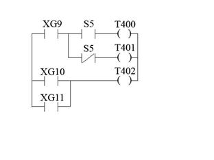
Questo ciclo controlla se il motore M1 ha raggiunto la temperatura critica e in tal caso lo segnala. Dalla fase iniziale (G9) tramite le due transazioni mutuamente esclusive legate al sensore termico all'interno del motore (S5) è possibile accendere (tramite l'azione legata alla fase G10) o spegnere (in G11) la spia relativa (H4).
Spia 5
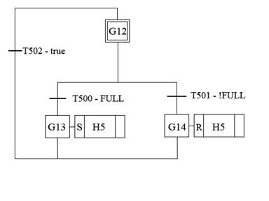
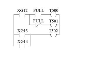
Questo ciclo controlla se il magazzino è pieno e in tal caso lo segnala. Dalla fase iniziale (G12) tramite le due transazioni mutuamente esclusive legate alla variabile FULL modificata dal contatore è possibile accendere (tramite l'azione legata alla fase G13) o spegnere (in G14) la spia relativa (H5).
Contatore
Questo ciclo è semplicemente un contatore sia ad incremento che a decremento per il controllo della quantità di pezzi in magazzino.Il passaggio di un pezzo in ingresso è segnalato tramite il sensore B1, quando il passaggio del pezzo sotto il sensore è completato (condizione !B1) il contatore si porta nella fase relativa all'incremento. Il passaggio di un pezzo in uscita è segnalato tramite il sensore B2, quando il passaggio del pezzo sotto il sensore è completato (condizione !B2) il contatore si porta nella fase relativa al decremento. Non è ovviamente consentito l'incremento quando il magazzino è pieno e il decremento quando il magazzino è vuoto.
Quando il contatore raggiunge il valore 6 (fase E19) la variabile booleana MIN viene posta a 1, indicando il superamento della capacità minima del serbatoio.Un decremento da questo valore porta alla fase E16 che, essendo relativa a una quantità di pezzi pari a 5, resetta la variabile MIN.
Quando il contatore raggiunge il valore 15 (fase E46) la variabile booleana FULL viene posta a 1, indicando il raggiungimento della capacità massima del serbatoio.Un decremento da questo valore porta alla fase E43 che, essendo relativa a una quantità di pezzi pari a 14, resetta la variabile FULL.
Quando viene premuto il tasto di reset del contatore S1, in qualsiasi fase il contatore si trovi (sia di incremento che di decremento che stia avvenendo o sia già completo) viene attivata la fase iniziale E1 in cui vengono resettate le variabili digitali relative alla quantità di pezzi in magazzino (MIN e FULL).

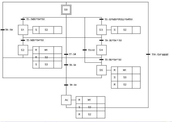
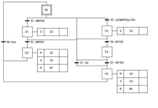
Motore
![]()
Questo ciclo gestisce il motore M1 responsabile del movimento del nastro trasportatore 1. Se il magazzino contiene un numero minore o uguale a 5 pezzi, esso è continuamente in movimento, anche se si preme il pulsante S3 per l'arresto del nastro 1, il motore M1 resta in movimento. Dalla fase iniziale S0 si passa così attraverso la transizione T1 con condizione !MIN alla fase S1 in cui il motore è avviato tramite l'attivazione del pulsante di accensione S2. Il motore viene arrestato quando il contatore arriva a 6 pezzi ossia quando si alza la variabile MIN. Allora attraverso la transizione T6 si torna alla fase iniziale.Se il magazzino non è pieno, ogni volta che si preme il pulsante S2, si arriva tramite T3 alla fase S3 in cui il motore viene attivato per il tempo necessario a far passare il pezzo, infatti quando il pezzo ha terminato il passaggio sotto la fotocellula in entrata (condizione !B1) , il motore viene nuovamente arrestato. Quando il magazzino è pieno, una pressione di S2 non provoca l'avvio del motore M1. Il relè termico a protezione del motore M1 è realizzato tramite le condizioni !S5 nelle transizioni T1, T2,T3, T4 e T5. Tutte queste sono in mutua esclusione con un'altra condizione (S5) che porta alla fase S5 in cui il nastro è fermato e si torna alla fase iniziale per la valutazione del numero di pezzi in magazzino.
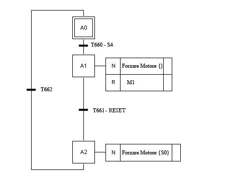
Arresto Critico
Questo ciclo controlla l'evenienza dell'attivazione del pulsante di arresto critico (S4). Se attivato il sistema verrà tempestivamente sospeso spegnendo il motore M1. Solo dopo la pressione del tasto RESET il ciclo di riempimento funzionerà regolarmente ricominciando dalla fase S0.
2.3.1. SFC equivalente.
Nel linguaggio standard SFC non è ancora inglobato il nuovo concetto delle macroazioni. Per ovviare a questo problema è necessario utilizzare gli schemi equivalenti che permettono di includere le azioni "Forzare" e "Sospendere" all'interno del SFC che si vuole controllare.
M1



Per ottenere l'effetto della macroazione "Forzare" si è aggiunto ad ogni transizione un nuovo ramo in modo che, se viene premuto il pulsante di arresto critico (S4), si raggiunge una nuova fase(Ac) in cui si provvede a spegnere il motore M1 ; si permane in questa fase fino alla pressione del tasto di ripristino RESET che riporta il motore al suo normale funzionamento .
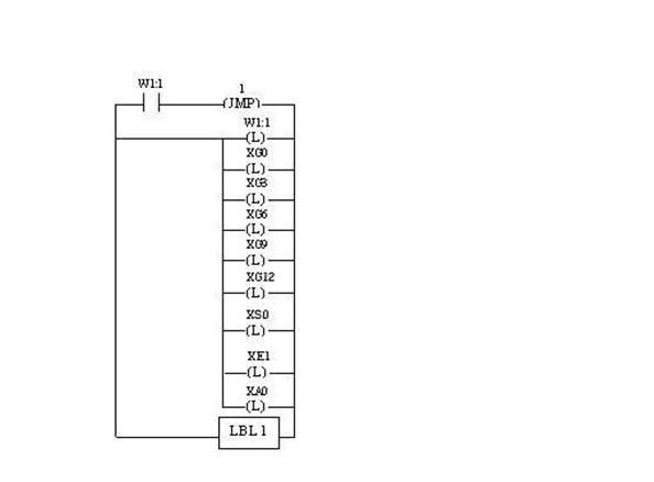
2.4. Traduzione in linguaggio a contatti
2.4.1. Introduzione
Per la traduzione del sistema da linguaggio SFC a linguaggio ladder (a contatti) si userà l'algoritmo di evoluzione senza ricerca di stabilità rappresentato nella figura sottostante sottoforma di diagramma di flusso:
La prima operazione che si dovrà attuare, sarà quella di associare dei bit di memoria del PLC alle fasi e alle transizioni descritte dai blocchi di SFC visti in precedenza, più in particolare:
Il programma tradotto in linguaggio a contatti sarà composto da quattro sezioni:
2.4.2. Traduzione in linguaggio a contatti
Le quattro sezioni di cui sopra saranno applicate in sequenza per ognuno degli otto blocchi di SFC che descrivono insieme l'intero sistema; nelle figure sottostanti sono quindi descritte le sezioni singolarmente facendo riferimento ai blocchi SFC relativi; la stesura definitiva del programma sarà composta da tutte le sezioni di cui sotto scritte in sequenza:
Inizializzazione
Esecuzione Delle Azioni
Spia 1 Spia 2

Spia 3 Spia 4

Spia 5 Motore

M1
Contatore Arresto critico
Valutazione Delle Transizioni

Spia 1 Spia 2
Spia 3 Spia 4

Spia 5 Motore
Contatore Arresto Critico
Aggiornamento delle condizioni
Spia 1 Spia 2

Spia 3 Spia 4
Spia 5
Motore Contatore
Arresto Critico
3. Testing
3.1. Introduzione
Per effettuare il testing del sistema, è stato utilizzato il software di simulazione UniSim, grazie al quale è stato possibile verificare tutte le condizioni di funzionamento dell'impianto. Particolare attenzione è stata posta alle condizioni critiche del sistema.
3.2. Screenshots della simulazione
Avvio dell'impianto
All'avvio il nastro trasportatore è in movimento.La lampada H1 segnala la presenza di meno di 6 pezzi in magazzino e la lampada H2 indica che il nastro 1 è in movimento. I sensori di quantità MIN e FULL hanno uscita bassa.
Se non è stata ancora raggiunta la capacità minima, il motore 1, che dev'essere attivo, non viene fermato neppure alla pressione del tasto di spegnimento S3
Raggiungimento capacità minima
Quando il magazzino contiene un numero maggiore di 5 pezzi e minore di 15, il nastro trasportatore non è normalmente acceso ma viene attivato dalla pressione del tasto S2. La lampada H3 indica che il nastro è fermo e la lampada H1 spenta indica che in magazzino ci sono più di 5 pezzi.Inoltre il sensore di quantità MIN è alto.
Raggiungimento Temperatura Critica
In qualsiasi stato di funzionamento, il rilevamento da parte del sensore S5 di una temperatura critica del motore M1, provoca l'arresto immediato di quest'ultimo, che torna al normale funzionamento solo quando S5 ritorna basso.Le lampade H3 e H4 indicano rispettivamente che il motore è fermo e che ha raggiunto la temperatura critica.
Raggiungimento Capacità Massima
Quando il magazzino è pieno, il motore M1 resta ovviamente fermo.La lampada H5 indica che in magazzino ci sono 15 pezzi. Il sensore di quantità FULL è alto.
Quando il magazzino ha raggiunto la capacità massima, anche se viene premuto il pulsante S2 di attivazione del motore, questo non viene acceso
Arresto Critico
In qualsiasi condizione di funzionamento ci si trovi, la pressione del pulsante S4 di arresto critico, attiva la fase Ac del Pou Motore, forzando lo spenimento del Motore M1.Solo alla pressione del pulsante RESET, il sistema torna al suo funzionamento ordinario.
![]() |
| Appunti su: |
|
| Appunti Ingegneria tecnico | ![]() |
| Tesine costruzione | ![]() |
| Lezioni Gestione | ![]() |