![]() |
|
| Appunti tecniche |
|
| Visite: 2179 | Gradito: |
Leggi anche appunti:MagnetismoMAGNETISMO Aspetto dell'elettromagnetismo che studia le interazioni magnetiche Potenza elettricaPotenza elettrica La quantità di carica che attraversa il conduttore è uguale all'intensità Verifica del comportamento di un amplificatore operazionale come comparatore semplice e a finestraVerifica del comportamento di un amplificatore operazionale come comparatore semplice |
![]() |
![]() |
ATTACO IONICO IN PLASMA
Gli attacchi secchi (dry) costituiscono un insieme di metodi con i quali si attacca una superficie solida dalla fase gas o vapore: l'attacco può essere fisico e realizzarsi quindi per bombardamento ionico, chimico ed avvenire per mezzo di una reazione chimica con una specie reattiva alla superficie, o chimico-fisico.
Gli attacchi dry condotti in plasma possono essere classificati in base all'assetto sperimentale in cui sono realizzati. Si distinguono quindi la tecnica della scarica a bagliore, in cui il plasma è generato nella stessa camera in cui è posto il substrato (configurazione a diodo), da quella del fascio ionico, in cui il plasma è generato in una camera separata, da cui gli ioni vengono estratti e diretti in un fascio verso il substrato da una serie di griglie (configurazione a triodo).

Fig. 1: Varie tecniche di attacco dry.
Nell'attacco
ionico (ion etching) e nellao ion beam milling, l'attacco avviene per azione fisica, ovvero il trasferimento di energia
dagli ioni
alla superficie del
substrato.
In tutti gli altri tipi di attacchi dry avviene un qualche tipo di reazione chimica. Con l'attacco chimico in plasma (chemical plasma etching: PE), delle specie chimiche neutre generate nel plasma diffondono fino al substrato, dove reagiscono con la superficie, formando prodotti volatili: il solo ruolo del plasma è fornire specie gassose reattive.
Quando si sceglie il tipo di attacco dry da condurre, si devono considerare accuratamente la forma degli scavi ottenibili e la selettività che caratterizzano tale processo.

Fig. 2:Profili di scavo ottenuti con diversi tipi di attacco dry in plasma: (A) Attacco puramente fisico; (B) Attacco puramente chimico; (C) e (D) Attacco chimico-fisico.
In Fig. 2 sono mostrati diversi possibili profili di scavo: a seconda del tipo di attacco impiegato, si possono ottenere profili verticali, direzionali, o isotropi. Con gli attacchi dry si possono produrre scavi anisotropi (verticali o direzionali) in materiali cristallini, policristallini ed amorfi: l'anisotropia è infatti controllata dalla caratteristiche del plasma.
La selettività di un attacco dry si riferisce alla differenza tra la velocità di attacco del materiale della maschera, e quella del materiale del substrato da attaccare, ed è anch'essa dipendente dalle caratteristiche del plasma.
Lo ion etching e lo ion beam milling sono caratterizzati da profili inclinati, bassa selettività, e basse velocità di attacco. Il chemical plasma etching ha maggiore selettività e velocità di attacco, ma è isotropo. Il RIE infine permette di ottenere profili anisotropi con alte selettività e velocità di attacco.
I Il Plasma
Il plasma è un gas ionizzato che contiene approssimativamente la stessa quantità di particelle cariche positivamente (ioni positivi) e negativamente (elettroni o ioni negativi). Anche se il plasma è neutro dal punto di vista macroscopico, si comporta in modo molto diverso da un gas molecolare, dal momento che le sue particelle ionizzate possono subire l'influenza di campi elettrici e magnetici.
Il plasma usato
negli attacchi dry è generalmente molto poco ionizzato: il rapporto tra il
numero di ioni e quello di molecole neutre va da
a
.
I sistemi per l'attacco in plasma sono estremamente complessi, e molti dettagli delle interazioni all'interno del plasma e sulle superfici ad esso esposte non sono ancora ben chiari: lo scopo di questa sezione è solo quello di presentare i concetti che sono stati reputati principali, a cui sarà poi utile far riferimento nel seguito.
I.1 Fisica dei Plasmi RF
Il reattore più semplice è costituito da due elettrodi a facce piane parallele (anodo e catodo) a cui è applicata una tensione continua, tra i quali è confinato un gas mantenuto a bassa pressione (Fig. 1).

Fig. 1: Rappresentazione schematica di un plasma dc.
Se
la polarità degli elettrodi viene alternata a bassa frequenza (
), si ha solo uno scambio periodico dell'anodo con il catodo.
Se si aumenta la frequenza finchè il periodo di oscillazione non sia minore del
tempo necessario al plasma per raggiungere l'equilibrio stazionario, le
caratteristiche del plasma cambiano.
Se si applica un potenziale a radio frequenza ad un elettrodo attraverso una rete per l'adattamento dell'impedenza, nei i cicli positivi e negativi il plasma si comporta diversamente.
Quando l'elettrodo è positivo, gli elettroni sono accelerati verso di esso,e quindi si accumula carica negativa. Quando è negativo, sono gli ioni positivi ad essere accelerati verso di esso: il numero di ioni che raggiungono il catodo è però molto minore di quello degli elettroni nel semiperiodo precedente a causa della sproporzione tra le loro masse. Il plasma quindi si comporta come un diodo.
Il catodo è
disaccoppiato in continua dal condensatore
, che non gli consente di scaricarsi attraverso il
generatore.

Fig. 2: Rappresentazione schematica di un plasma RF.
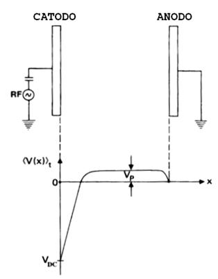
In Fig. 3 è mostrato il valor medio temporale del potenziale dei due elettrodi e del plasma.

Fig. 3: Valor medio temporale del potenziale di anodo, catodo e plasma.
Il plasma ha la caratteristica di
avere carica positiva rispetto agli elettrodi a causa del moto casuale degli
elettroni e degli ioni. Per una distribuzione casuale delle velocità, infatti
il flusso di ioni
e di elettroni
è dato da (Bibl. 1):
dove
è la densità, e
la velocità media.
Dal momento che gli ioni hanno massa molto maggiore degli elettroni (di un fattore dell'ordine delle decine di migliaia), la velocità media degli elettroni è maggiore, e quindi il loro flusso è maggiore di quello degli ioni: il plasma perde dunque elettroni sugli elettrodi e si carica positivamente.
Inoltre, dal momento
che attraverso il condensatore con cui il catodo è accoppiato al generatore RF
non può passare carica, esso acquisisce un potenziale continuo negativo (self-bias
) a causa degli elettroni del plasma che vi si
accumulano: nelle immediate vicinanze della superficie del catodo si instaura
quindi un campo elettrico che contrasta la perdita di altri elettroni.
In questa regione la popolazione di elettroni è così scarsa che si verificano poche collisioni con molecole neutre, quindi non si osserva bagliore: per questa ragione è detta zona di buio. Per le stesse ragioni, si formano zone di buio anche nelle vicinanze dell'anodo e di qualsiasi superficie conduttrice o isolante esposta al plasma.
La Fig.3 indica che
non c'è campo elettrico nella regione di bagliore del plasma, che può quindi
essere considerato un conduttore ad una tensione media
, il potenziale del plasma.
Il
potenziale del plasma
, il self-bias
, ed l'ampiezza picco-picco della tensione a RF
sono legati dalla
relazione (Fig. 4):

Fig. 4:Distribuzione del potenziale nel reattore.
Gli ioni positivi del plasma vengono estratti dall'intenso campo presente vicino al catodo e vengono accelerati attraverso la zona di buio, percorrendo traiettorie essenzialmente ortogonali alla superficie del catodo. Ci sono due fattori che rendono diversa da zero la componente trasversale della velocità degli ioni.
Il primo è la temperatura, che causa un moto casuale: a temperatura ambiente la velocità termica è però molto minore di quella acquisita dagli ioni nelle zone di buio.
Traiettorie non rigorosamente ortogonali alla superficie del catodo sono imputabili anche a collisioni che avvengono nella zona di buio.
Trascurando questi effetti secondari, la traiettoria degli ioni può essere assunta verticale: sono solo le superfici orizzontali, quindi , che sperimentano il bombardamento degli ioni.
La massima energia con cui uno ione positivo colpisce il catodo è pari a:
Quella con cui colpisce l'anodo è pari a:
Valori tipici per
e
sono 300 e 20 eV,
rispettivamente.
Il rapporto tra l'area del catodo e dell'anodo, influenza quello tra
e
, e quindi l'energia degli ioni incidenti sugli elettrodi :
Dove
e
sono l'area dell'anodo
e del catodo.
Dal momento che deve essere evitato l'attacco dell'anodo,
deve essere mantenuta
bassa, e quindi il reattore deve essere costruito con
significativamente
minore di
.
I.2 Circuito Equivalente
Un circuito equivalente per un plasma RF, che non tenga conto del suo comportamento rettificante, è mostrato in Fig. 1.

Fig. 2: Circuito equivalente per un plasma RF.
Assumendo che la conduzione nella zona di bagliore del plasma sia dominata da elettroni:
dove n è la densità
degli elettroni nel plasma, e è la carica dell'elettrone,
la massa
dell'elettrone, e
la frequenza di
collisione degli elettroni. La resistenza della zona di bagliore del plasma è
quindi:
![]()
dove l ed A sono la lunghezza e la sezione della zona di bagliore.
La resistenza delle
zone di buio, dove la conduzione è ionica, viene stimata nello stesso modo,
rimpiazzando,
e
con
e
, la massa e la frequenza di collisione degli ioni.
Le capacità delle zone di buio possono essere stimate come:
![]()
dove
ed
sono la lunghezza e la
sezione delle zone di buio.
In Fig. 3 è mostrato il cambiamento di queste impedenze con la frequenza.

Fig. 3: Impedenze delle zone di buio
, e di bagliore
. Nell'intervallo di frequenze di interesse la zona di
bagliore rimane resistiva.
La frequenza del generatore influenza la distribuzione dell'energia degli ioni accelerati nella zona di buio: a frequenza bassa (tipicamente 100Hz) l'energia massima degli ioni corrisponde approssimativamente a quella fornita dal campo massimo della zona di buio, perché gli ioni hanno abbastanza tempo per rispondere alle variazioni del campo elettrico. Ad alta frequenza (tipicamente 13.7MHz), l'energia massima è minore di quella che sarebbe fornita dal campo massimo perché gli ioni non possono più rispondere alle variazioni.
II Attacco Ionico
Lo
ion etching di un substrato si realizza bombardando con ioni inerti (come
e
) una superficie posta sul catodo nella configurazione
di Fig. 2 del paragrafo I.
L'energia
cinetica degli ioni incidenti determina quali eventi si verificheranno con maggiore
probabilità sulla superficie bombardata: ad energie minori di 3eV si ha
fisiadsorbimento; tra 4 e 10eV danneggiamento della superficie; sopra i 10eV si
ha riscaldamento del substrato e sputtering; ad energie ancora maggiori (
), si ha impiantazione ionica (Tab. 1).

Tab. 1
In condizioni di sputtering, il
trasferimento di quantità di moto dagli ioni al bersaglio causa la rottura dei
legami e l'erosione della superficie con emissione balistica di materiale, di
conseguenza, la velocità di attacco nella direzione dagli ioni incidenti
dipende fortemente da
.
II.1 Resa di Sputtering
Un parametro molto importante per lo ion etching è la resa di sputtering S, che si definisce come il numero di atomi della superficie emessi per ione incidente. S dipende dall'energia e dalla massa dello ione incidente, dalla massa degli atomi del substrato attaccato, la cristallinità e l'orientazione cristallina del substrato:

Fig. 1: Resa di sputtering in funzione dell'energia dell'atomo incidente.
In Fig. 1 è mostrato l'andamento tipico della resa di sputtering in funzione dell'energia dello ione incidente. S aumenta con tale energia fino a raggiungere un massimo per energie che vanno da 5 a 50KeV: sopra i 50KeV decresce a causa della maggiore penetrazione degli ioni nel substrato (impiantazione ionica).
Un importante aspetto dello ion etching è che S dipende dall'angolo con cui gli ioni raggiungono il substrato (Fig. 2).

Fig. 2: Andamento tipico della resa relativa con l'angolo di incidenza.
II.2 Selettività
La selettività di un processo è la misura della velocità di attacco del materiale del substrato da attaccare, relativa a quella del materiale della maschera:
dove
ed
sono la velocità di
attacco del substrato e della maschera rispettivamente.
Lo ion etching è un attacco non selettivo per i materiali (le rese di sputtering della maggior parte dei materiali differiscono al massimo di un fattore tre), dal momento che l'energia necessaria ad estrarre materiale è molto maggiore della differenza di energia tra i vari legami chimici. Per lo stesso motivo, all'aumentare dell'energia degli ioni, la selettività dell'attacco diminuisce.
II.3 Profili di attacco
Il risultato ideale di un attacco wet o dry è il trasferimento delle geometrie della maschera sul substrato senza distorsione: l'anisotropia dell'attacco ionico è controllabile cambiando le caratteristiche del plasma.
Come mostrato nella Fig. 2 dell'introduzione al capitolo, attacchi fisici come lo ion etching e lo ion beam milling non producono sottoattacco, ma le pareti dello scavo non sono necessariamente verticali: c'è una varietà di fattori che contribuisce a questa perdita di fedeltà nel trasferimento delle geometrie.
II.3.1Faceting
Anche se si parte da una maschera a pareti verticali, l'attacco ionico tende a sviluppare una sfaccettatura nel bordo della maschera tale che l'angolo da essa formato con la direzione degli ioni incidenti sia quello per cui la resa di sputtering del materiale della maschera sia massima (Fig. 2 del par II.1).
Gli spigoli della maschera, che sono sempre stondati, anche quando le pareti sono molto verticali, vengono attaccati più velocemente del resto.

Fig. 1: Rappresentazione schematica del Faceting.
Se il bordo della sfaccettatura si propaga dallo spigolo della maschera, fino al substrato, esso sarà a sua volta sfaccettato lungo l'angolo di massima S per il materiale di cui è costituito.
Di solito il faceting influenza solo la maschera, ed il suo effetto sulla fedeltà del processo di trasferimento delle geometrie può essere minimizzato aumentando lo spessore della maschera, e diminuendo l'arrotondamento dei suoi spigoli.
II.3.2Trenching
Il trenching consiste in un aumento della velocità di attacco nelle immediate vicinanze delle pareti della maschera: esso è il risultato di due effetti.
Il primo deriva dal fatto che gli ioni che incidono sulle pareti della maschera hanno angoli di riflessione bassi: il flusso di ioni nei pressi delle pareti è quindi maggiore. Perché questo meccanismo sia attivo, deve esistere una considerevole frazione di ioni con traiettoria non esattamente verticale, oppure le pareti della maschera devono essere inclinate.

Fig. 2: Rappresentazione schematica del Trenching.
Il secondo meccanismo è attivo soltanto quando la maschera è metallica: le linee di campo elettrico si concentrano nei pressi degli spigoli, aumentando in questi punti il flusso di ioni.
II.3.3Rideposizione
Un'altra limitazione dello ion etching è la rideposizione sulle pareti dello scavo dei prodotti dell'attacco del fondo.
Per poter predire l'alterazione nel profilo dello scavo che si ottiene in presenza di rideposizione dalla superfici attaccate, si devono formulare delle ipotesi semplificative.
Si assuma che (1) la velocità di deposizione sulle superfici verticali sia costante; (2) il materiale depositato venga attaccato in modo puramente anisotropo alla stessa velocità del fondo dello scavo; (3) l'attacco e la deposizione, che sono simultanei, possano essere approssimati come un susseguirsi di passi di attacco e deposizione di durata infinitesima; (4) sia lecito usare un modello bidimensionale di una sezione trasversale. Questo modello semplificato predice scavi a pareti inclinate sui quali viene rideposto uno strato trapezoidale (Fig. 3).

Fig. 3: Formazione sequenziale del profilo dell'attacco in presenza di rideposizione nel caso che siano valide le quattro assunzioni semplificative. Si è anche assunto che il profilo della maschera sia verticale e che questa sia attaccata ad una velocità pari alla metà di quella a cui è attaccato il substrato.
Per rendere il modello più realistico, si deve considerare che la velocità di rideposizione non è costante al variare della distanza dalla superficie attaccata sulle superfici verticali: essa infatti è maggiore in prossimità delle superfici orizzontali. Questo può portare all'arrotondamento del fondo degli scavi molto stretti.

Fig. 4: Profili di scavo causati dalla rideposizione: quello di sinistra è dovuto ad una velocità di rideposizione costante, quello di destra dovuto ad una velocità di rideposizione che aumenta verso la superficie attaccata.
Un ultimo effetto che può essere attribuito alla rideposizione è un effetto di prossimità dell'attacco ionico. La velocità di rideposizione è in fatti maggiore su pareti adiacenti a larghe aree attaccate, che costituiscono una fonte di materiale maggiore: lo strato rideposto sulle pareti verticali nelle strutture isolate è quindi maggiore che in quelle densamente impacchettate.

Fig. 5: Schematizzazione dell'effetto di prossimità.
![]() |
| Appunti su: |
|
| Appunti Gestione | ![]() |
| Tesine costruzione | ![]() |
| Lezioni Ingegneria tecnico | ![]() |