![]() |
|
| Appunti universita |
|
| Visite: 1591 | Gradito: |
Leggi anche appunti:Federico ii di svevia e la scuola sicilianaFEDERICO II DI SVEVIA E LA SCUOLA SICILIANA La Scuola siciliana: il tempo, Comte e la sociologia come coordinamento unitario del conoscereComte e la sociologia come coordinamento unitario del conoscere Auguste La FotosintesiLa Fotosintesi La Fotosintesi è un processo mediante il quale, a |
![]() |
![]() |
ISTITUTO TECNICO INDUSTRIALE STATALE
PER L'ELETTRONICA INDUSTRIALE E L'INFORMATICA
"G. PEANO"
LABORATORIO DI TECNOLOGIA DISEGNO E PROGETTAZIONE
Cap. 1 Introduzione all'alimentatore stabilizzato
Schema a blocchi
Funzione del trasformatore
Funzione del raddrizzatore
Funzione del filtro
Funzione del regolatore
Cap. 2 Alimentatore stabilizzato a uscita fissa
Analisi
Realizzazione e collaudo
Schema elettrico
Modelli, immagini e caratteristiche tecniche di alcuni alimentatori presenti in commercio
Listino
![]()
![]()

Trasformatore Raddrizzatore Filtro Regol. di tensione
FUNZIONE DEL TRASFORMATORE
Il trasformatore ha la funzione di adattare il valore della tensione di rete a quello richiesto dall'alimentatore di tensione continua.
Il trasformatore utilizzato ha un rapporto di trasformazione 220V/12V e una potenza apparente di 60VA.

Curve sinusoidali sul primario e sul secondario del trasformatore

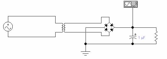
FUNZIONE DEL RADDRIZZATORE
I circuiti raddrizzatori convertono una tensione alternata con valore medio nullo in una tensione unipolare con valore medio diverso da zero. Nel raddrizzatore in oggetto sì è utilizzata una configurazione denominata "Ponte di Graetz" (che utilizza quattro diodi secondo una particolare disposizione). Il ponte di Graetz ci permette di ottenere un segnale a doppia semionda che sarà successivamente livellato dal filtro capacitivo.

Curva a doppia semi onda sull'uscita del raddrizzatore

FUNZIONE DEL FILTRO
La tensione pulsante fornita dal raddrizzatore è livellata mediante un filtro capacitivo.
L'ondulazione presente nel segnale d'uscita è tanto minore quanto maggiore è la costante di tempo di scarica del condensatore.
Il funzionamento descritto sì applica anche ai raddrizzatori a doppia semionda, dove essendo minore il tempo di scarica del condensatore sì ha un migliore livellamento.

Andamento a doppia semi onda con filtro capacitivo

FUNZIONE DEL REGOLATORE
Sì è utilizzato un regolatore di tensione per ottenere uscite fisse positive. Nel nostro caso sì è utilizzato un regolatore 7805 che fornisce una tensione d'uscita di +5V a 1°. Sì è scelto questo regolatore in quanto le specifiche tecniche prevedono che la tensione d'uscita dall'alimentatore deve essere di +5V, e la sua tensione di drouput di 2V; la tensione di drouput è la minima tensione che deve sussistere fra ingresso e uscita; infatti, basandosi sulla somma tra le tensioni di drouput e quella d'uscita sì determina la tensione d'ingresso del regolatore.
ANALISI
La struttura generale dell'alimentatore, è quella descritta nel capitolo precedente; mentre nel progetto da noi realizzato abbiamo adottato un comune regolatore da 1A e un transistore di potenza che ha il compito di fornire all'uscita la rimanente parte di corrente di 2A. Le specifiche tecniche prevedono che nell'alimentatore sia anche presente un indicatore di sovraccarico, che segnali un aumento di corrente nell'ingresso del regolatore.
REALIZZAZIONE E COLLAUDO
Il circuito è stato realizzato su piastra mille fori, per il collaudo abbiamo utilizzato un trasformatore 220V/12V e sì è verificato tramite multimetro la tensione d'uscita.
![]() |
| Appunti su: |
|
| Appunti Economia | ![]() |
| Tesine Ingegneria tecnico | ![]() |