Appunti per Scuola e Università
humanisticheUmanistiche
Appunti e tesine di tutte le materie per gli studenti delle scuole medie riguardanti le materie umanistiche: dall'italiano alla storia riguardanti le materie umanistiche: dall'italiano alla storia 
sceintificheScientifiche
Appunti, analisi, compresione per le scuole medie suddivisi per materie scientifiche, per ognuna troverai appunti, dispense, esercitazioni, tesi e riassunti in download.
tecnicheTecniche
Gli appunti, le tesine e riassunti di tecnica amministrativa, ingegneria tecnico, costruzione. Tutti gli appunti di AppuntiMania.com gratis!
Appunti
tecniche
AeronauticaAgricoltura agrariaArchitetturaAutomobileCostruzione
Demografia urbanisticaElettronica elettricitaForensicsIngegneria tecnicoVela


AppuntiMania.com » Tecniche » Appunti di Elettronica elettricita » Rilievo della transcaratteristica di una porta logica not ls

Rilievo della transcaratteristica di una porta logica not ls




Visite: 2002Gradito:apreciate 5-stela [ Picolo appunti ]
Leggi anche appunti:

Controllo di Corrente


Controllo di Corrente Il controllo di Corrente è stato inserito in modo

Relazione di laboratorio di elettronica - rilievo della curva caratteristica di un b j t


RELAZIONE DI LABORATORIO DI ELETTRONICA   Rilievo della curva caratteristica

Rilevatore di zero


Rilevatore di zero In questa applicazione e nelle successive, non si ricorre
immagine di categoria

Scarica gratis Rilievo della transcaratteristica di una porta logica not ls

RELAZIONE DI LABORATORIO DI ELETTRONICA


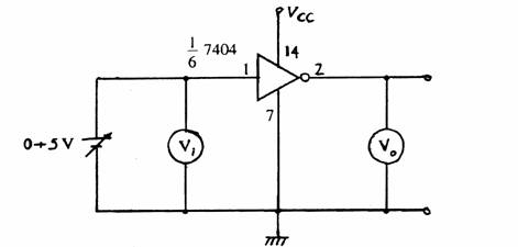
RILIEVO DELLA TRANSCARATTERISTICA DI UNA PORTA LOGICA NOT LS


OBIETTIVI: verificare sperimentalmente la transcaratteristica di una porta logica not ls mediante l'ausilio di un multimetro digitale che rileva la tensione in uscita della porta logica.


CIRCUITO DI MISURA:








STRUMENTAZIONE USATA:

Un generatore di intensità variabile, una bread board, una porta logica NOT 7404, un multimetro digitale, due resistenze da 1 KΩ, una pulsantiera, una resistenza da lOO Ω, un diodo led, una sonda logica, pinze, forbici, cacciaviti e dei cavi per effettuare i collegamenti.


SINTESI OPERATIVA:

Innanzitutto abbiamo esaminato attentamente il circuito elettrico disegnato e successivamente lo abbiamo realizzato sulla bread board. Come seconda cosa abbiamo posizionato l'integrato NOT LS 7404 sulla piastra millefori ed alimentato con una tensione costante di 5 volt. Contemporaneamente abbiamo erogato una tensione che variava tra 0 e 5 volt mediante l'ausilio di un generatore di tensione variabile, denominata tensione di entrata. In seguito abbiamo eseguito una serie di diciotto prove durante le quali immettevamo una tensione di entrata pari a dei valori prefissati inizialmente e poi tramite i puntali di un multimetro misuravamo l'entrata della porta NOT LS e il filo del collegamento a massa ricavando così la tensione di uscita della medesima porta, che diminuiva all'aumentare della tensione erogata dal generatore. 


VERIFICA DEGLI OBIETTIVI:


Le porte logiche sono circuiti combinatori che svolgono funzioni elementari e che costituiscono la base dei circuiti logici elettronici. Esse possono avere due entrate chiamate arbitrariamente A, B (o una delle due nel caso della porta NOT) e un'uscita anch'essa chiamata convenzionalmente Y. Le porte logiche principali sono le porte AND (prodotto logico) , OR (somma logica) la NOT (negazione), EXOR (rivelatore di disuguaglianza), EXNOR (rivelatore di uguaglianza) e le varie negazioni delle sopraccitate; vale a dire NAND e NOR.




La porta NOT LS (7404) presenta un solo ingresso (A) ed un'uscita (Y) e funziona nel seguente modo: se all'ingresso è applicato un livello basso (L) l'uscita si porta a livello alto (H), mentre se all'ingresso è applicato un livello alto (H) l'uscita scende al livello basso (L). In sintesi la porta fornisce un'uscita invertita o negata o complementata rispetto all'ingresso.


La Vi è il valore della tensione in entrata all'integrato e può assumere due valori; ovvero alto ( ViH) e basso (ViL). Tali valori sono consultabili in apposite tabelle che riguardano la costruzione degli integrati. Nel nostro caso la tensione in entrata all'integrato 7404 figurava alta quando si raggiungevano come minimo i 2 volt, mentre figurava bassa quando si raggiungeva una tensione che aveva i suoi massimali a 0,8 volt. 


La Vo è il valore della tensione in uscita all'integrato e può assumere anch'essa due valori; ovvero alto ( ViH) e basso (ViL). Tali valori sono consultabili in apposite tabelle che riguardano la costruzione degli integrati. Nel caso preso in esame la tensione in uscita all'integrato 7404 si dimostrava alta quando si raggiungevano come minimo dei valori compresi tra i 2,7 V e 3,4 V, mentre figurava bassa quando si raggiungeva una tensione che aveva i suoi massimali compresi tra 0,5 V e 0,25 V.


Il multimetro analogico o digitale è uno strumento multifunzione che si utilizza principalmente per misurare le resistenze (impiego come ohmmetro), le tensioni( impiego come voltmetro) e le intensità di corrente (impiego come milliamperometro).


Il generatore di tensione variabile è uno strumento anch'esso multifunzione che eroga una tensione continua che varia dai 0-30V e che alimenta la totalità dei circuiti elettronici.


Vi (V)

Vo (V)





































TABELLA























CONCLUSIONI: abbiamo verificato sperimentalmente la transcaratteristica di una porta NOT LS (7404) constatando graficamente che le porte logiche da noi analizzate si classificano di qualità bassa poiché la ViH della tensione di entrata Vi  assumeva un valore di tensione inferiore al minimo stabilito, ovvero 2V, rilevando anziché 1,2V.




Scarica gratis Rilievo della transcaratteristica di una porta logica not ls
Appunti su: transcaratteristica porte logiche, transcaratteristica delle porte logiche,



Scarica 100% gratis e , tesine, riassunti



Registrati ora

Password dimenticata?
  • Appunti superiori
  • In questa sezione troverai sunti esame, dispense, appunti universitari, esercitazioni e tesi, suddivisi per le principali facoltà.
  • Università
  • Appunti, dispense, esercitazioni, riassunti direttamente dalla tua aula Universitaria
  • all'Informatica
  • Introduzione all'Informatica, Information and Comunication Tecnology, componenti del computer, software, hardware ...

Appunti Ingegneria tecnico Ingegneria tecnico
Tesine Gestione Gestione
Lezioni costruzione costruzione