![]() |
|
| Appunti tecniche |
|
| Visite: 5111 | Gradito: |
Leggi anche appunti:L'Energia delle BiomasseL'Energia delle Biomasse Con il termine "biomassa" si intende tutto ciò Circuiti in corrente alternataCircuiti in corrente alternata 1. Introduzione In Plasma tweeterPLASMA TWEETER Introduzione: Appassionato del mondo del Hi-Fi ,vengo a |
![]() |
![]() |
Prova a vuoto su M.A.T.
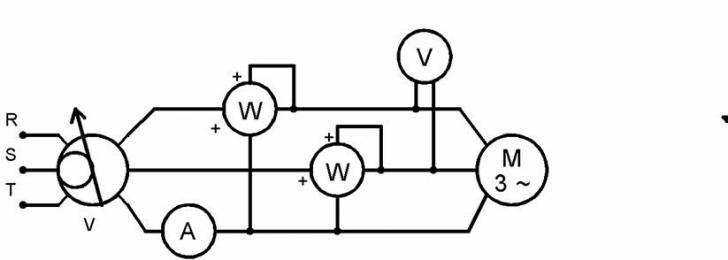
Schema di principio della misura:

Legenda
A amperometro
V voltmetro
W wattmetri in Aron
Vr motore asincrono 3F usato come trasformatore a rapporto variabile
M motore asincrono in prova
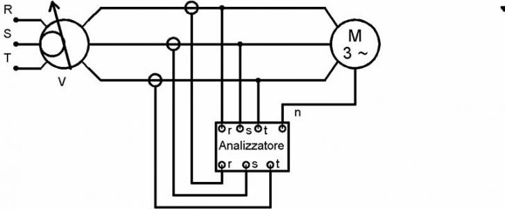
Schema adottato:

Legenda
Vr motore asincrono 3F usato come trasformatore a rapporto variabile
M motore asincrono in prova
Scopo: Determinazione delle perdite a vuoto, corrente a vuoto e fattore di potenza a vuoto riferiti alla tensione di targa Un di un motore asincrono trifase.
Cenni teorici: La prova a vuoto consiste nell'alimentare la macchina asincrona senza carico meccanico all'asse (cioè senza coppia resistente). Così facendo la coppia motrice del motore è quella massima così come la velocità che è prossima a quella di sincronismo. In tali condizioni risulta quindi ovvia la possibilità di determinare le perdite a vuoto nella macchina e la corrente ed il fattore di potenza a vuoto. Essendo, le perdite, dovute a due fattori (meccanici e elettrici) si procederà ad un'estrapolazione della curva, rappresentante le perdite appunto, ricavando così quelle meccaniche. Queste sono le uniche nella macchina quando la tensione è zero e perciò l'estrapolazione consisterà appunto nel calcolare il valore che la curva raggiunge nel punto corrispondente a una tensione di alimentazione nulla. Note queste sarà possibile ricavare quelle nel ferro e per isteresi e quindi il cos e la I
Scelta delle apparecchiature:
Mat
Rosati
N°75612
UD: 658V
Analizzatore di rete trifase
EL Control Energy NET s.p.a.
Mod: Vip system 3
N° 15329
Esecuzione della prova: Tale prova viene condotta alla frequenza nominale (le perdite nel ferro infatti dipendono dalla frequenza), e alimentando la macchina con una tensione che dal 10% circa raggiunga il 110% della tensione nominale. La tensione viene regolata agendo sul generatore variabile con passi del 5/10% della tensione nominale. Ad ogni step della tensione si rilevano con l'analizzatore di rete le varie grandezze che sono poi riportate nella seguente tabella:
|
N |
U |
I |
P |
cos |
|
|
V |
A |
W |
|
|
|
|
|
|
|
|
|
|
|
|
|
|
|
|
|
|
|
|
|
|
|
|
|
|
|
|
|
|
|
|
|
|
|
|
|
|
|
|
|
|
|
|
|
|
|
|
|
|
|
|
|
|
|
|
|
|
|
|
|
|
|
|
|
|
|
|
|
|
|
|
|
|
|
|
|
|
|
|
|
|
|
|
|
|
|
|
|
|
|
|
|
|
|
|
|
dove:
U = tensione di alimentazione
I = corrente assorbita
Cos = f.d.p. del motore
P = potenza attiva totale assorbita
n = numero di giri dell'asse
T = coppia resa all'albero
I dati vengono riportati nel seguente grafico. Per l'estrapolazione ci si è serviti di uno strumento messo a disposizione dal software utilizzato che è la "linea di tendenza". Con tale funzione il software calcola automaticamente l'equazione della curva in base ai dati forniti, che in questo caso sono le varie potenze in funzione della tensione. Di tale curva è possibile conoscere l'equazione, in questo caso y = 49.34e0.003x . Ponendo x = 0 (cioè tensione nulla) si ricava come y il valore 49.34, ossia, le perdite meccaniche ammontano a 49.34W.
Note queste è possibile ricavare la potenza persa nel ferro in condizioni nominali che ammonta a:
P ' = P - Pm = 449.66W
Si ha poi che:
cos ' = cos(arctan(Q0n/ P ')) = cos(arctan(3478.4/449.6)) ; Q0n è la potenza reattiva a vuoto alla
tensione nominale
= 0.128
Da cui si ricava la corrente I
I = P 3*Un*cos ) = 3.08A
Conclusioni ed osservazioni: tale prova ha portato ai seguenti risultati: P ': 449.66W, cos I 3.08A, Pm = 49.34W. Alcune precisazioni vanno fatte al riguardo del gomito che, si può notare dal grafico, compie la corrente ad una tensione prossima ai 100V. La prova infatti si esegue abbassando gradualmente la tensione di alimentazione del motore asincrono. Al diminuire della tensione si ha che la coppia generata scende seguendo una legge quadratica, così ad un certo valore di tensione (Vmin, in questo caso prossimo ai 100V) si ha un rallentamento causato dalle perdite meccaniche. In conseguenza di tale fatto vi sarà uno scorrimento tale da determinare un aumento della corrente assorbita dalla macchina e conseguentemente anche del fattore di potenza (ecco perché tale gomito si presenta anche con la curva relativa al cosφ). Non potendo più considerare n ≃ 0 non si potrà neppure ritenere la macchina funzionante a vuoto.
![]() |
| Appunti su: https:wwwappuntimaniacomtecnicheelettronica-elettricitaprova-a-vuoto-su-mat23php, |
|
| Appunti Ingegneria tecnico | ![]() |
| Tesine Gestione | ![]() |
| Lezioni costruzione | ![]() |