![]() |
|
| Appunti tecniche |
|
| Visite: 2478 | Gradito: |
Leggi anche appunti:Convertitore I/VConvertitore I/V Nel caso si voglia convertire una corrente in una tensione, I circuiti elettriciI CIRCUITI ELETTRICI Il circuito elettrico è sempre costituito Le mareeLe maree Sono oscillazioni periodiche del livello della superficie dell'oceano |
![]() |
![]() |
Generalità.
Col termine conversione si indica la trasformazione di alcuni parametri di un segnale elettrico mantenendo invariata la quantità di informazione posseduta dal segnale stesso.
I convertitori risultano essenziali nei sistemi di controllo, in particolare quelli analogico-digitale e digitale-analogico perché sono presenti nelle ca-tene di acquisizione e di elaborazione dati.
Il convertitore analogico-digitale, indicato come convertitore A/D o ADC (Analog Digital Converter), risulta essenziale per collegare un segnale analogico ad un centro di elaborazione digitale.
Prendiamo ad esempio il caso di un sistema a microprocessore per il controllo di grandezze fisiche (temperatura, pressione, umidità ecc.): il segnale in uscita dal trasduttore è generalmente di tipo analogico e di conseguenza deve essere convertito in un segnale digitale per poter essere elaborato dal microprocessore.
Il convertitore digitale-analogico, indicato come convertitore D/A o DAC (Digital Analog Converter), esegue l'operazione inversa rispetto all'ADC. In effetti il DAC permette di trasformare il segnale digitale, fornito dal sistema di elaborazione, in un segnale analogico in grado di operare sui dispositivi di uscita come ad esempio gli attuatori (motori, altoparlanti, ecc.).
Si ricorda che per segnale analogico si intende un segnale che può assu-mere tutti i valori all'interno di un intervallo, mentre il segnale quantizza-to (o discreto) può assumere soltanto un numero finito di valori. Se la quantizzazione viene effettuata, per esempio, con un codice binario i possibili valori sono due.
Schema generale di un sistema di acquisizione dati
Analizziamo lo schema precedente: Si hanno delle grandezze fisiche (es. Temperatura, pressione, posizione, velocità, etc.) di un sistema qualsiasi da controllare. Dette grandezze vengono trasformate ciascuna dal rispettivo trasduttore in un segnale analogico corrispondente.
Questo segnale analogico, generalmente di pochi mV, viene amplificato da un operazionale per portarlo al livello desiderato (es. 5V di fondo scala); inoltre esso viene filtrato da un filtro passa-basso per eliminare il rumore di alta frequenza.Questo processo viene denominato condizionamento del segnale. Dopodiché il segnale condizionato viene immesso ad uno degli ingressi di un multiplexer analogico (AMUX). Questo circuito seleziona, su istruzione di un codice ADDRESS, uno solo dei segnali analogici in ingresso, trasferendolo in uscita.
Il segnale in uscita dall'AMUX viene applicato all'ingresso di un circuito campionatore per la conversione del segnale analogico in digitale, che viene fatta da un ADC (Analogy Digital Converter).
L'uscita digitale in forma binaria viene memorizzata dal computer per essere elaborata secondo le specifiche dirette del problema. Dopo aver fatto l'elaborazione il computer emette delle informazioni digitali, le quali, dopo che vengono convertite in analogiche dal DAC (Digital Analogy Converter) e amplificate vanno a comandare degli attuatori per agire, come controllo, sulle grandezze fisiche del sistema per mantenerle o variarle entro i limiti imposti dal problema.
Schema generale di un convertitore D/A (DAC): equazione fondamentale.
Il convertitore D/A trasforma ogni parola digitale ad n bit in un livello di tensione. Di conseguenza il numero di livelli di tensione possibili in uscita dal DAC è 2n, pari al numero di codici esprimibili con parole di n bit.
Il segnale analogico fornito dal convertitore D/A non è dunque continuo nelle ampiezze ma è formato da gradini. Ogni gradino corrisponde al valore di tensione associato alla parola.
Ogni parola binaria è formata da n bit an-1, an-2, an-3, . a1, a0, dove:
a0 = corrisponde al bit meno significativo (LSB Less Significant Bit)
an-1 = corrisponde al bit più significativo (MSB Most Significant Bit).
In un segnale digitale ciascuna parola (word) viene trasmessa partendo dal bit MSB. Per ultimo viene trasmesso il LSB.
Una parola formata da n bit può assumere m = 2n valori finiti.
Il valore P corrispondente ad una parola da n bit vale:
P = an-1 2n-1 + an-2 2n-2 + . + a1 21 + a0 20
Per trasformare questo numero P in una tensione occorre moltiplicarlo per un valore di tensione V. In questo modo alla parola viene associato il livello di tensione Vu = PV.
Vu = VP = V (an-1 2n-1 + an-2 2n-2 + . + a1 21 + a0 20)=
= an-1 V2n-1 + an-2 V2n-2 + + a1 V21 + a0 V20=
=V2n (an-1 2-1 + an-2 2-2 + . + a1 21-n + a0 2-n)
Il prodotto V2n si definisce tensione di riferimento o tensione di fondo
scala e viene indicato con Vr.
Vu = Vr (an-1 2-1 + an-2 2-2 + . + a1 21-n+ a0 2-n)
La conversione avviene quindi effettuando una combinazione lineare con coefficienti che devono dare ad ogni bit il proprio perso in funzione della sua posizione.
Il coefficiente che
moltiplica il bit più significativo è pari a
quelli successivi
saranno
, poi
,
, ecc. L'espressione della Vu evidenzia che il
livello di tensione in uscita dal DAC è proporzionale alla tensione di
riferimento Vr ed al codice binario in ingresso.
La tensione Vr viene anche indicata come la tensione di fondo scala del convertitore. Se si sceglie Vr = 2n ossia V=1 V, il valore della tensione è pari al numero P.
Parametri caratteristici.
T Risoluzione rappresenta la variazione di tensione dovuta alla variazione di un LSB ed in modo equivalente indica il valore minimo di tensione rappresentabile dal DAC.
![]()
La risoluzione si trova espressa anche in bit o in percentuale del valore di fondo scala Vr.
![]()
T La tensione massima di uscita VuM: tale valore si ottiene quando tutti i bit sono a 1 e si dimostra che
![]()
Notiamo che VuM è minore del valore di fondo scala Vr.
T Transitori spuri (glitches): quando due o più bit devono commutare insieme si possono creare picchi di tensione. Come mostra la figura, prima che la Vu si assesti al valore 6 V è presente anche un picco di tensione.

T Settling time: è il tempo necessario al DAC per stabilizzarsi al valore finale dell'uscita.
Tipi di convertitori D/A (DAC).
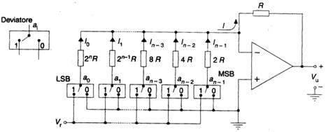
Convertitori a resistenze pesate.
In figura è riportato lo schema del DAC a resistenze pesate a n bit.

Il circuito è composto da una rete di resistenze, da un convertitore corrente/tensione realizzato con un amplificatore operazionale e da alcuni deviatori. I deviatori sono utili nel nostro caso per descrivere il comportamento del circuito. Nella realtà al posto dei deviatori c'è una rete digitale che fornisce in uscita i livelli di tensione alti e bassi (corrispondenti ai valori logici 1 e 0).
Il numero di resistenze e di deviatori è pari al numero di bit del DAC. Il deviatore consente di collegare la resistenza a massa se il bit vale 0 o al potenziale di riferimento Vr se il bit vale 1. Di conseguenza in ogni resistenza c'è un passaggio di corrente soltanto se il bit associato vale 1 in modo da avere una differenza di potenziale pari a Vr ai capi della stessa resistenza. In caso di bit 0 i due morsetti della resistenza sono a massa e quindi non ci può essere passaggio di corrente.
La corrente che circola in ogni resistenza deve essere tale da dare ad ogni bit il proprio peso in funzione della sua posizione, secondo il principio della conversione. Il valore della corrente deve essere maggiore per il bit più significativo (MSB) per poi diminuire per i bit meno significativi. Si procede dunque collegando al MSB la resistenza minore e raddoppiandone il valore per il bit successivo fino al LSB per il quale la resistenza è 2n-1 volte maggiore rispetto alla prima.
Ad esempio nel caso si DAC a 4 bit: (a3a2a1a0) al bit a3 associamo una resistenza 2R (R è il valore presente nel convertitore corrente/tensione), al bit a2 colleghiamo una resistenza doppia della prima 4R, ad a1 la resistenza 8R ed infine ad a0 la resistenza 16R.
Il convertitore I/V effettua la somma delle correnti. Verifichiamo che la tensione in uscita del convertitore è proporzionale al codice d'ingresso.
I = I0 + I1 + . + In-1 (non entra corrente nell'Amp. Op.)
Vu = -RI =-R (I0 + I1 + . + In-1)
dove ![]()
Tralasciando il segno, che rappresenta l'inversione di fase possiamo scrivere:

![]()
L'impiego di questi tipo di convertitori D/A è limitato perché presentano alcuni inconvenienti:
T Il valore delle resistenze cresce secondo le potenze del due, fino a raggiungere valori notevoli se il numero di bit del DAC è elevato (RLSB=2nR), non è possibile ovviare a questo problema prendendo un valore di R troppo basso se si vuole garantire un corretto funziona-mento dei deviatori elettronici.
T Difficoltà di avere resistenze con valori così diversi e stessa precisione.
T La corrente erogata da Vr dipende dalla combinazione dei bit in ingresso.
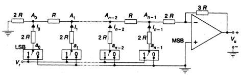
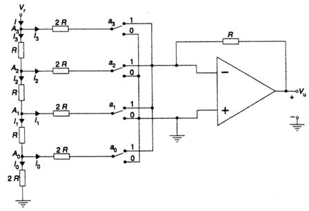
Convertitori D/A con rete di tipo R-2R.
Questo tipo di convertitore D/A sfrutta, per la conversione, lo stesso principio di quello a resistenze pesate ma presenta il vantaggio di utilizza-re resistenze di due soli possibili valori R e 2R. Esistono due tipi di DAC di questo genere:
T a rete (o scala) R-2R;
T a rete (o scala) R-2R invertita;
Convertitore R-2R.
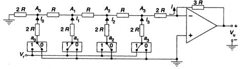
Nelle figure 1 e 2 sono riportati gli schemi del convertitore D/A r-2R a n bit e 4 bit.

Figura 1.

Figura 2.
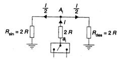
La rete di resistenze è tale che da ogni nodo Ai la resistenza vista verso destra e verso sinistra vale sempre 2R. In figura 3 è riportato l'esempio del nodo A2 (i generatori sono cortocircuitati).

Figura 3.
R8 è a terra per il cortocircuito virtuale (V- = V+ = 0).
Verso sinistra: R12= R1//R2 =R; R' = R12 + R3 = 2R; si ottiene allora Rsin = R'//R4 + R5 = 2R.
Verso destra: R78= R7//R8 =R; Rdes= R78 + R6 = 2R.
Di conseguenza la resistenza che è vista da ciascun deviatore è 2R + Rsin//Rdes = 3R (fig. 4).

Figura 4.
Così in tutte le resistenze collegate ai deviatori circola lo stesso valore di corrente
![]()
Questa corrente in ogni nodo che incontra si divide in due parti uguali perché Rdes = Rsin.
Come nel caso di DAC a resistenze pesate occorre fare in modo che ad ogni bit sia dato il proprio peso in funzione della sua posizione, così il convertitore I/V effettua la giusta combinazione lineare fornendo in uscita una tensione proporzionale al codice. Al bit più significativo an-1 viene associata la corrente massima che vale:
![]()
perché subisce una sola divisione nel nodo An-1. Le correnti che corrispondono ai bit meno significativi subiscono un numero di partizioni che aumenta spostandosi verso sinistra nella figura 1. Infatti la corrente associata al bit kesimo subisce n -k divisioni (n nodi) e vale:
![]()
Di conseguenza la corrente corrispondente al LSB a0 vale:
![]()
La tensione Vu = -3RIu nella quale la corrente Iu è la somma delle correnti provenienti dai deviatori con il bit 1, risulta, trascurando il segno meno,



![]()
La tensione in uscita dal DAC è veramente proporzionale al codice in ingresso.
Convertitore a rete R-2R invertita (convertitori D/A commerciali).
Lo schema del convertitore D/A a rete R-2R invertita è riportato in figura 5.

Figura 5.
Il deviatore permette di collegare la resistenza a terra, nel caso di bit 0, o al morsetto invertente dell'amplificatore operazionale, se il bit vale 1.
Essendo il potenziale del morsetto invertente comunque pari a zero (V-= V+=0 V), il valore della corrente che circola nella resistenza collegata al deviatore rimane lo stesso indipendentemente dalla posizione del deviatore stesso. Quando il bit vale 1 questa corrente passa nel convertitore dando il proprio contribuito alla tensione d'uscita.
La resistenza vista da ogni nodo Ai verso terra vale R; in figura 6 è mostrato l'esempio del nodo A2.

Figura 6.
Per calcolare la resistenza vista da A2 si produce nel seguente modo:
![]()
![]()
Di conseguenza anche la resistenza vista dal generatore (nodo A3) vale R e la corrente erogata (I) rimane costante:
![]()
indipendentemente dalla parola binaria da convertire. Questa corrente si divide, in ogni nodo che incontra, in due parti uguali.
La conversione avviene come nel DAC a rete R-2R: il valore della corrente che circola nella resistenza associata al deviatore deve essere maggiore per il bit più significativo (MSB), per poi diminuire per i bit meno signifi-cativi. Illustriamo il caso del DAC a 4 bit (fig. 9).
Le correnti valgono:
![]()
e quindi la tensione di uscita sarà Vu = -R Itot.
Sostituendo i valori delle correnti e trascurando il segno meno si ha:


La tensione in uscita dal convertitore è proporzionale al codice.
Il convertitore D/A a rete R-2R invertita rappresenta la soluzione più diffusa tra i componenti commerciali. Infatti con questa soluzione
T le resistenze hanno soltanto due valori possibili R e 2R;
T la corrente erogata da Vr è costante;
T la corrente circolante nelle resistenze è indipendente dalla parola in ingresso così si evitano i disturbi dovuti alle commutazioni.
La seguente tabella mostra il valore del parametro settling time per alcuni componenti tipici.

Inoltre esiste l'integrato DAC0830 a 8 bit che ha la caratteristica di essere compatibile con il microprocessore ed è possibile collegarlo senza interfaccia.
Il convertitore A/D (ADC).
L'ADC trasforma un segnale analogico in un codice binario Il passaggio da un segnale, che assume con continuità tutti i valori all'interno di un intervallo, ad una successione discreta di codici binari avviene tramite un'operazione denominata quantizzazione.
La quantizzazione.
La quantizzazione è descritta dalla caratteristica di trasferimento rappresentata dal grafico di figura 9. I valori di tensione in ingresso sono riportati sull'ascissa, mentre sull'ordinata viene riportato il codice binario associato ad ogni intervallo di valori di Vi.
Nell'esempio di figura 9 l'ampiezza massima del segnale d'ingresso è ViM = 8 V. Il numero di bit scelto è 3 quindi il numero possibile di codici binari esprimibili è Q = 23 = 8

Figura 9.
Di conseguenza la tensione analogica d'ingresso è stata divisa in 8 parti uguali, ad ognuna delle quali è stato associato uno degli 8 codici binari possibili. A tutti i valori di tensione appartenenti ad un singolo intervallo degli otto possibili viene associato lo stesso codice.

L'esempio precedente mette in evidenza la necessità d'introdurre due parametri caratteristici dei convertitori A/D.
Il primo è l'ampiezza massima ViM del segnale d'ingresso che può essere convertito dall'ADC. Il segnale da elaborare deve dunque passare prima in un circuito di condizionamento per renderlo utilizzabile dal convertitore. In particolare i campi di valori della Vi accettati dagli ADC in commercio sono generalmente da 0 V a 5 V o da 0 V a 10 V.
L'altro parametro è il numero n di bit con cui si effettua la codifica. Il campo dei valori della Vi viene diviso in Q = 2n parti uguali. Ad ognuno di questi 2n intervalli viene associata una parola di n bit. Spesso l'ampiezza dell'intervallo è indicata come passo di quantizzazione.
Parametri caratteristici degli ADC.
La risoluzione.
La risoluzione, indicata con R, rappresenta la variazione della tensione d'ingresso associata ad una variazione del bit meno significativo del codice binario.
In modo equivalente la risoluzione rappresenta il passo di quantizzazione. In effetti, come viene mostrato dall'esempio di figura 9, se il codice binario differisce per il bit meno significativo (LSB), otteniamo quello associato all'intervallo successivo o precedente. Possiamo così scrivere:

La risoluzione può essere espressa in percentuale del valore massimo della tensione convertibile:

Spesso i costruttori forniscono come risoluzione il numero di bit della parola di codifica.
L'errore di quantizzazione.
L'errore di quantizzazione, indicato anche come incertezza, definisce il livello di indeterminazione ed è dovuto al fatto che ad ogni codice binario non viene associato un unico valore della tensione d'ingresso ma l'insieme dei valori appartenenti al passo di quantizzazione.
Ad esempio la figura 9 mostra che alla parola di codice 010 sono associati tutti i valori della Vi compresi tra 2 V e 3 V e di conseguenza 010 rappresenta oltre al valore esatto 2 V anche 2.9 V.
Quando il valore esatto di Vi rappresentato dalla parola di codifica è l'estremo inferiore dell'intervallo, l'errore massimo di quantizzazione (eM) è pari l'ampiezza dell'intervallo stesso (ossia alla risoluzione R) e quindi:
eM = R
Nell'esempio di figura 9 eM = 1 V.
L'andamento dell'errore in funzione del valore della tensione (relativo all'esempio di figura 9) è mostrato in figura 10.

Figura 10.
Si osserva che e = 0 quando in ingresso è presente il valore esatto della tensione associato alla parola binaria.
Se il valore esatto di Vi rappresentato dalla parola di codice è al centro dell'intervallo di quantizzazione l'errore massimo che si può commettere viene dimezzato:
![]()
In effetti se nell'esempio di figura 9 si sceglie il passo di quantizzazione in modo che la parola 010 rappresenti l'intervallo di valori 1.5 V 2.5 V, simmetrico intorno al valore esatto 2 V, l'errore massimo vale 0.5 V (la figura 11 mostra l'andamento dell'errore).

Figura 11.
Per ridurre l'incertezza occorre diminuire l'ampiezza del passo di quantizzazione aumentando il numero di bit.
Il tempo di conversione.
Il tempo di conversione è il tempo necessario all'ADC per trasformare il valore della tensione d'ingresso in un codice binario.
Il segnale analogico da convertire deve essere campionato per prelevare i valori della Vi da trasformare in codice binario. Con il campionamento il segnale analogico viene trasformato in una successione discreta di valori di Vi.
Nella figura 12 è riportato un esempio.

Figura 12.
Il segnale S(t) può essere rappresentato dalla successione dei suoi campioni S1, S2, S3, S4, S5 . prelevati ad intervalli regolari Tc. Il valore di Tc non può essere qualsiasi. Per poter ricostruire il segnale dai suoi campioni occorre che la frequenza di campionamento:

soddisfi la condizione di Shannon:
![]()
dove fM è la frequenza massima (o banda) del segnale.
Di conseguenza il periodo di campionamento di Tc deve essere:

La conversione deve terminare prima che arrivi il nuovo campione da convertire in codice binario.
Indicando con Ts il tempo di conversione occorre avere
com'è mostrato in
figura 13.

Figura 13.
Il valore del campione è quello assunto da Vi all'inizio della conversione anche se durante il tempo Ts il segnale subisce delle variazioni. Per non introdurre un ulteriore errore, il codice binario associato al campione deve rimanere valido per tutto il tempo di conversione. Di conseguenza le variazioni del segnale, durante Ts, devono essere tali da fare rimanere Vi all'interno del passo di quantizzazione (o entro la risoluzione).
Supponendo di avere un segnale sinusoidale Vi con frequenza f e di utilizzare un ADC a n bit, per non aggiungere un altro errore a quello di quantizzazione, si può dimostrare che deve essere:
![]()
Per evitare di introdurre questo ulteriore errore è necessario inserire un dispositivo detto di sample/hold (campionamento e mantenimento). Per evitare ciò il valore viene memorizzato (hold) fino a quando deve essere convertito.
Tipi di convertitori A/D.
Convertitori paralleli (flash).
Gli ADC flash sono i convertitori più veloci infatti presentano tempi di conversione dell'ordine delle decine di nanosecondi. Questi convertitori sono necessari quando i segnali hanno frequenza elevata. Sappiamo infatti che Ts deve essere minore del periodo di campionamento. Ora, per un segnale video con fM = 5 MHz, si ha che:

Pertanto il Ts deve essere inferiore. Non si può quindi fare a meno di usare gli ADC flash, gli unici che consentono simili velocità. In figura 14 è mostrato lo schema circuitale di principio di un ADC flash a 3 bit.

Figura 14.
Il circuito è composto da 9 resistenze, 7 comparatori e un encoder con 7 ingressi e 3 uscite. Nel caso generale di ADC a n bit la struttura fondamentale è composta da 2n - 1 comparatori, 2n - 2 resistenze uguali di valore R, 2 resistenze di valore R/2 e 1 encoder.
Questi convertitori presentano notevoli problemi costruttivi, essendo difficile ottenerli proprio con 2n - 2 resistenze uguali con stessa tolleranza; ne consegue che il dispositivo ha scarsa precisione oltre a risultare costoso.
Il principio di funzionamento è basato sul confronto tra il valore del campione da convertire e i potenziali presenti sui morsetti invertenti dei comparatori dati dalla partizione di una tensione di riferimento Vr. In ogni comparatore, sul morsetto non invertente, è presente il valore di tensione da convertire: l'uscita è alta per il comparatore in cui si verifica che Vi è maggiore del potenziale del morsetto invertente.
Le uscite dei comparatori vanno in un encoder che fornisce così il codice binario.
Per fare in modo che tutti i dati arrivino contemporaneamente all'encoder ed evitare disturbi (glitch) si possono inserire dopo i comparatori dei dispositivi che mantengono l'informazione e la presentano simultaneamente all'encoder.
Analizziamo l'esempio di figura 14. I potenziali presenti sui morsetti invertenti dei comparatori C1, C2, C3, C4, C5, C6, C7 sono rispettivamente:
![]()
![]()
mentre
.
Di conseguenza per ogni valore di Vi tra zero e Vr è possibile determinare quali comparatori hanno l'uscita alta. Ad esempio se:
![]()
i comparatori C1, C2, C3 hanno l'uscita alta, tutti gli altri bassa. Le uscite U1, U2, U3, U4, U5, U6, U7 valgono 1110000. L'encoder fornisce il seguente codice binario 011 (equivalente a 3 in decimale, pari al numero di comparatori con uscita alta).
Possiamo così costruire la seguente tabella (o matrice) di conversione.

Spesso è presente un ulteriore comparatore che dà l'indicazione di
overflow se
.
Due comparatori flash che si trovano in commercio sono: AD5010KD a 6 bit con Ts = 20 ns e AD6020KD a 6 bit con Ts = 10 ns.
Il convertitore ad approssimazioni successive.
Lo schema circuitale è riportato in figura 17. Il funzionamento si basa sull'utilizzo di un particolare circuito sequenziale denominato SAR (Successive Approximation Register). Questo dispositivo genera una parola di codice che viene corretta, dopo il confronto tra il campione Vi da convertire e la tensione VDAC in uscita dal DAC, fino a quando la differenza risulta minore di un valore fissato.

Figura 17.
Il principio della conversione può essere illustrato con l'esempio della pesatura di una massa incognita. Sia abbiano a disposizione masse di valori:
![]()
dove m1 è la metà della portata massima, mentre il valore minore è legato all'incertezza desiderata si pone sul piatto m1: se la massa incognita m risulta maggiore, allora si aggiunge:
![]()
Se
si inserisce
.
Se
si toglie
e si inserisce
.
Si procede in questo modo fino all'ultimo valore a disposizione. In pratica ad ogni tentativo si inserisce un nuovo peso (di valore pari alla metà di quello precedente) mantenendo anche quello di prima soltanto se nella misura precedente la massa incognita risulta maggiore.
La parola di codice viene modificata dal circuito SAR con lo stesso principio. La prima parola generata è formata da tutti zero tranne il bit più significativo che vale 1.
Prendiamo l'esempio di un ADC a 4 bit. Si parte da 1000. Se la tensione
VDAC in uscita dal DAC è minore di Vi, il SAR mantiene il
MSB e porta a 1 quello successivo generando la seguente parola 1100 (se
il MSB torna a 0 e la
parola fornita è 0100).
Se dal secondo tentativo risulta che la nuova tensione in uscita
dal DAC (VDAC) è tale che
il secondo bit è
mantenuto alto (torna a 0 se
) e viene a questo punto generata la parola 1110 (o 1010)
portando a 1 il terzo bit.
Se dal terzo tentativo
il terzo bit è
mantenuto alto (torna a 0 se
) ed il quarto bit viene messo a 1.
Al quarto confronto se la tensione in uscita dal convertitore D/A è mino-re di Vi l'ultimo bit rimane alto, in casso contrario torna a 0.
Abbiamo così determinato i quattro bit che formano la parola di codice. La parola binaria è stata generata dopo 4 tentativi, in generale per un convertitore a n bit sono necessari n confronti. Dunque se ogni operazione è scandita da un clock con periodo Tck il tempo di conversione di un convertitore ad approssimazioni successive a n bit vale Ts = nTck.
Rispetto agli altri convertitori a reazione il tempo di conversione è costante (indipendente dal campione) e molto minore.
Per la risoluzione percentuale di questo ADC vale l'espressione generale già vista:
![]()
Questa soluzione risulta la più diffusa tra i componenti ADC commerciali. Gli integrati disponibili sono numerosi e risultano adatti a convertire segnali provenienti da trasduttori oltre ad essere compatibili con i microprocessori.
Vediamo alcuni integrati disponibili.

Nell'esempio del grafico di figura 18 viene mostrato come avviene la generazione della parola di codice nel caso di 4 bit.

Figura 18.
I convertitori ad integrazione.
I convertitori ad integrazione più diffusi sono quelli a doppia rampa. Lo schema di funzionamento, riportato in figura 19, evidenzia la presenza del circuito integratore. Questo produce in uscita una rampa decrescente (o crescente) se l'ingresso è una costante positiva (o negativa).

Figura 19.
Inizialmente all'ingresso dell'integratore viene applicato il campione da convertire per una durata Ti fissata. Questa durata è determinata tramite un clock con periodo Tck ed un contatore, infatti Ti = ni Tck (ni numero di impulsi contati).
L'uscita dell'integratore è una rampa decrescente con pendenza legata a Vi che inizia da zero, essendo il condensatore scarico (fig. 20), fino a raggiungere il valore.
Figura
20
Dopo un tempo Ti il tasto T commuta nella posizione -Vr. L'integratore fornisce adesso una rampa crescente con pendenza legata la tensione di riferimento Vr.
La rampa inizia dal valore V' (fig.19)e quando passa per lo zero blocca il conteggio inibendo la porta AND.
La prima rampa ha pendenza variabile dovuta al valore del campione di durata fissa: il valore V' raggiunto dipende da Vi. La seconda rampa, invece, ha pendenza fissa e durata Tx che dipende da V' ( e quindi da Vi) essendo il tempo impiegato per passare da V' a zero. Dalla misura di Tx è possibile risalire a Vi. Tx viene rilevato attraverso il contatore, infatti Tx = nx Tck dove con nx viene indicato il numero di impulsi contati durante la rampa
crescente. Verifichiamolo mediante formule matematiche:

quindi:
e 
Si ottiene quindi:

Il dato digitale nx, fornito dal contatore, rappresenta la codifica del segnale analogico Vi in ingresso.
Questi convertitori sono immuni a certi tipi di rumore ma molto lenti: il tempo di conversione Ts vale Ts = Ti + Tx = (ni + nx)Tck. Per questo motivo non sono indicati nei sistemi a microprocessori.
I convertitori tensione/frequenza e frequenza/tensione.
Il convertitore tensione/frequenza (V/f) trasforma un segnale analogico in una successione di impulsi con frequenza proporzionale all'ampiezza del segnale in ingresso.
Questa conversione rende il segnale immune al rumore. Infatti i disturbi si sommano al segnale modificandone l'ampiezza ma non influenzano l'informazione contenuta nella frequenza del segnale stesso.
Questi dispositivi possono essere utilizzati come convertitori A/D. Il principio di funzionamento è il seguente: il campione viene applicato al convertitore V/f all'uscita del quale sono presenti impulsi con frequenza proporzionale a Vi. Questi impulsi vengono, in seguito, contati per fornire la parola di codice. Lo schema di principio è riportato in figura 21.

Figura 21.
Il dispositivo di inizializzazione abilita la porta AND per un tempo T mandando un livello alto. In uscita dell'integratore abbiamo una rampa con pendenza legata al valore di Vi.
Quando la rampa VC raggiunge il valore di -Vr, il blocco di controllo genera un impulso e provoca la scarica del condensatore in modo da fare partire una nuova rampa (fig.22).

Figura 22.
Il valore della tensione d'ingresso è stato convertito in frequenza. Infatti il tempo impiegato dalla rampa per raggiungere -Vr dipende da Vi e quindi il numero di impulsi contati durante il tempo T è legato al valore del campione. Possiamo così associare a Vi la parola binaria fornita dal contatore.
I convertitori tensione/frequenza, oggi si trovano in commercio in forma integrata e vengono applicati nei sistemi di acquisizione dati e di controllo e nella trasmissione dati a distanza. Infatti è dimostrabile che un segnale codificato in frequenza e praticamente immune dai disturbi durante la sua trasmissione a distanza.
I più comuni convertitori tensione/frequenza sono i NATIONAL LM 131, LM 21, LM 331.
Il convertitore frequenza/tensione (indicato f/V) trasforma un segnale in una tensione con ampiezza proporzionale alla frequenza del segnale stesso.
Esistono componenti commerciali, ad esempio il LM331, che possono funzionare sia da convertitori V/f che f/V.
![]() |
| Appunti su: Un segnale digitale C3A8 immune a disturbi di ampiezza inferiore alla metC3A0 della vdd, rete a scala r 2r, |
|
| Appunti costruzione | ![]() |
| Tesine Ingegneria tecnico | ![]() |
| Lezioni Gestione | ![]() |