![]() |
|
| Appunti tecniche |
|
| Visite: 1960 | Gradito: |
Leggi anche appunti:I trasduttoriI trasduttori Il trasduttore è un dispositivo, generalmente elettrico Sommatore non invertenteSommatore non invertente Questo sommatore è simile al sommatore invertente, Circuiti in corrente alternataCircuiti in corrente alternata 1. Introduzione In |
![]() |
![]() |
ESAME DI TECNOLOGIE DEI SISTEMI DI AUTOMAZIONE
CONTROLLO DI UN IMPIANTO AUTOMATICO PER IL RIEMPIMENTO DI BARATTOLI
Prefazione
Tale elaborato si riferisce al corso di TSA tenuto dal Prof. Iervolino Raffaele presso l'Università degli studi di Napoli Federico II.
In seguito ad una visita guidata presso un'azienda che produce legumi in barattolo nella mia provincia, ho appreso quali sono le fasi del processo produttivo in questione e in particolare ho analizzato quella relativa al riempimento dei barattoli con un liquido conservante. La fase in esame si svolge in una zona dell'impianto dove è posto un nastro trasportatore che può ricevere in ingresso fino a tre diversi formati di barattolo. I barattoli sul nastro contengono già i legumi e in base al formato un operatore umano setta la quantità di liquido conservante da versare. In seguito indicherò la quantità di liquido con un certo numero di pastiglie, ad esempio 3 pastiglie per il formato piccolo, 5 per il formato medio e 7 per il formato grande.
Nel lavoro svolto ho descritto il funzionamento di questa parte di impianto utilizzando il Sequential Functional Chart, uno dei più diffusi linguaggi di programmazione per controllori a logica programmata. In seguito ho effettuato la traduzione dell'SFC nel linguaggio a contatti e con l'ausilio di Unisim e Trilogy ho simulato questa parte del processo produttivo su pc.
In seguito ho riportato due tabelle necessarie alla comprensione dell'SFC:
|
Ingressi:pulsanti |
Ingressi:sensori |
Uscite |
|
S1 Attivazione impianto |
S6 Livello minimo |
M1 Azionamento nastro tras |
|
S3 Seleziono 3 pastiglie |
S2 Contenitore in posizione di caricamento |
H1 Lampada di segnalazione avviamento nastro tras |
|
S4 Seleziono 5 pastiglie |
B1 Fotocellula |
H2 Lampada di segnalazione selezione di 3 pastiglie |
|
S5 Seleziono 7 pastiglie |
F1 Relè termico a protezione del motore del nastro tras |
H3 Lampada di segnalazione selezione di 5 pastiglie |
|
S7 Arresto a fine ciclo |
|
H4 Lampada di segnalazione selezione di 7 pastiglie |
|
S8 Emergenza |
|
H5 Lampada di segnalazione livello minimo raggiunto |
|
|
|
Y1 Elettrovalvola |
|
VARIABILI D'APPOGGIO |
|
PX0-----> Inizializzo l'SFC di arresto a fine ciclo |
|
AX1-----> Se attiva è stato selezionato il comando di arresto a fine ciclo |
|
X5-------> Se attiva seleziono l'SFC per il riempimento con 3 pastiglie |
|
X6-------->Se attiva seleziono l'SFC per il riempimento con 5 pastiglie |
|
X7-------->Se attiva seleziono l'SFC per il riempimento con 7 pastiglie |
|
KX3-----> Se attiva è terminato l'SFC per il riempimento con 3 pastiglie |
|
JX3-----> Se attiva è terminato l'SFC per il riempimento con 5 pastiglie |
|
ZX3-----> Se attiva è terminato l'SFC per il riempimento con 7 pastiglie |
|
C1,C2,C3-----> Contatori per il conteggio delle pastiglie il cui valore finale è rispettivamente 3,5,7 |
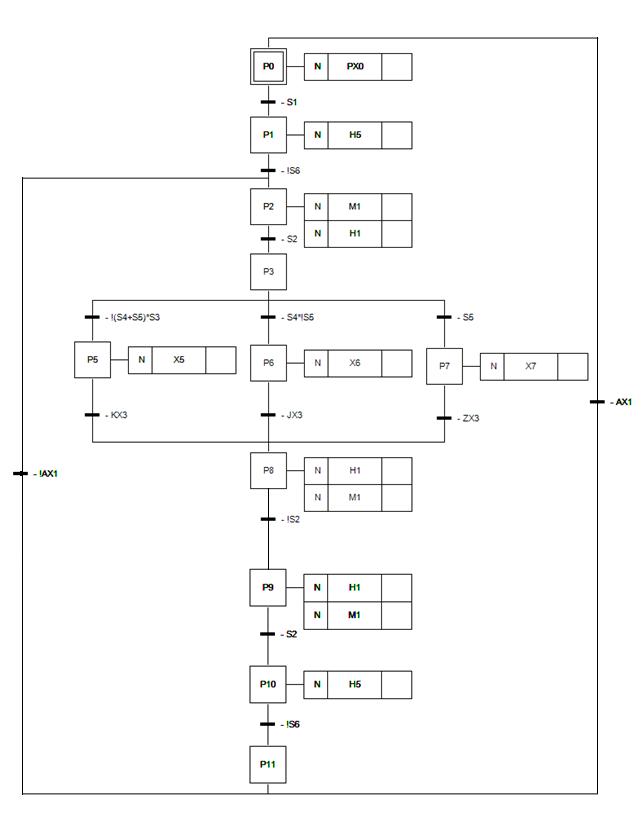
Il progetto è stato suddiviso in 5 SFC per semplificare l'analisi non solo visiva ma anche comportamentale:
SFC1 PRINCIPALE
In questo paragrafo, per favorire la comprensione dell'SFC, si è omessa la gestione delle emergenze.
La fase iniziale è la P0 cui è stata assegnata l'azione PX0 per avviare l'SFC per il controllo di arresto a fine ciclo; segue la transizione con controllo su S1, pulsante di attivazione dell'impianto.
Ci si porta in P1 in cui viene eseguita l'azione H5 di accensione della lampada che segnala il raggiungimento del livello minimo nel serbatoio. Se il sensore S6 del serbatoio attesta livello minimo (S6=1), la lampada resta accesa e si rimane in P1 fino a nuovo riempimento del serbatoio (S6=0).
Nella fase P2 viene avviato il motore del nastro trasportatore (M1) ed accesa la lampada H1 fin tanto che il sensore S2, che segnala la posizione di un contenitore sotto il serbatoio, non si attiva (S2=1).
A questo punto in P3 si hanno tre possibili scelte: attivare la fase P5 tramite il pulsante S3 e settare il riempimento dei contenitori con tre pastiglie, attivare la fase P6 tramite S4 e settare il riempimento con 5 pastiglie, attivare la fase P7 tramite S5 e settare il riempimento con 7 pastiglie. Da osservare la gestione della mutua esclusione nella gestione dei tre casi.
Ad esempio, premendo il pulsante S3 e attivando quindi la fase P5, viene eseguita l'azione X5, che attiva l'SFC per il riempimento con 3 pastiglie. Contemporaneamente l'operatore umano vedrà accendersi sulla consolle di comando le lampade H2 e Y1.
Le transizioni KX3, JX3 e ZX3 sono vere a riempimento avvenuto con rispettivamente 3, 5 o 7 pastiglie e portano alla fase P8 in cui si accende la lampada H1 e viene avviato il motore M1 del nastro trasportatore che porterà il barattolo alla fase di lavorazione successiva. Quando non viene rilevato alcun barattolo (S2=0), si passa alla fase P9 dove sono eseguite le stesse azioni della fase P8 fino a quando non sopraggiunge un nuovo barattolo da riempire (S2=1).
Nella fase P10 resta accesa la lampada H5 solo nel caso in cui il livello del liquido all'interno del serbatoio sia al minimo (S6=1) altrimenti vengo direttamente portato alla fase P11 in cui viene eseguito il controllo sul tasto di arresto a fine ciclo tramite la variabile AX1. Se questo controllo ha esito negativo si riparte dalla fase P2 saltando il controllo sul livello minimo già eseguito in precedenza in corrispondenza di P10, altrimenti si torna alla fase iniziale P0.
SFC1 PRINCIPALE CON GESTIONE DELLE EMERGENZE
Di seguito è affrontata la problematica relativa alla gestione delle emergenze all'interno dell'SFC di cui in precedenza.
Il sistema è munito di un pulsante di emergenza S8 e di un relè termico F1 messo a protezione del motore M1, i quali sortiscono lo stesso effetto sul processo, cioè il bloccaggio del versamento del conservante.
Questi eventi sono del tutto aleatori e possono verificarsi in un momento qualsiasi del processo. In tal caso si provvede a scartare l'ultimo barattolo da sotto il serbatoio in quanto il suo riempimento potrebbe essere stato compromesso.
All'SFC si sono aggiunte ulteriori tre fasi: P12, P13 e P14. Nella fase P12 convergono tutte le transizioni dell'intero SFC con condizione logica F1+S8, risultando così monitorato l'intero processo.
Dalla fase P12 si accede alla P13 solo quando l'emergenza insorta avrà avuto termine (!F1 * !S8=1). Nella fase P13 si esegue l'accensione della lampada H1 e si avvia il motore M1 fino a che non si scarta l'ultimo barattolo presente sul nastro (S2=0). La P14 lascia accesa la lampada H1 e mantiene avviato il motore. Si passa alla fase iniziale P0 quando sotto al serbatoio sopraggiunge un nuovo barattolo (S2=1).
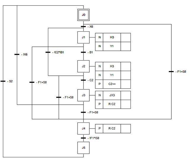
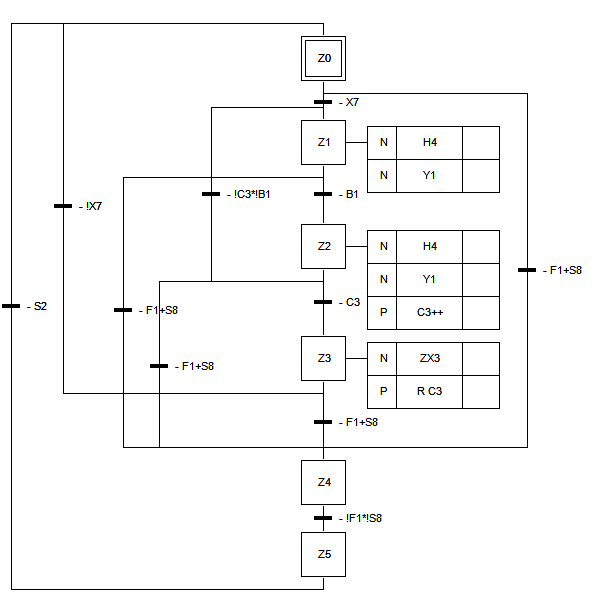
SFC SECONDARIO 3_PASTIGLIE
In questo SFC si è gestito il riempimento dei barattoli con tre pastiglie prendendo in considerazione la fotocellula B1.
Con il seguente algoritmo inoltre si realizza il conteggio automatico delle pastiglie che cadono nel barattolo evitando, in fase di debug, di dover incrementare di volta in volta il contatore manualmente.

La fase K1 si attiva solo se è vera la variabile X5; in tal caso si accende la lampada H2 e, apertasi la valvola Y1, la pastiglia finisce nel barattolo. Si passa alla fase K2 solo quando la pastiglia ha attraversato la fotocellula (B1=1). In questa fase si accende la lampada H2, si apre la valvola Y1 ed il contatore C1 viene incrementato di una unità fintanto che il valore del conteggio non arriva a 3. Quando la transizione C1 diventa superabile, si arriva alla fase K3 dove si resetta il contatore C1 e viene alzata la variabile KX3.
Introducendo la gestione delle emergenze vengono introdotte altre due fasi come in figura:
Sulla base dell'SFC SECONDARIO 3_PASTIGLIE si realizzano:
SFC SECONDARIO 5_PASTIGLIE

SFC SECONDARIO 7_PASTIGLIE

SFC ARRESTO A FINE CICLO
Quest'ultimo SFC implementa il pulsante di arresto a fine ciclo S7 mediante il quale il riempimento in corso deve essere portato a termine. Questo consente di riempire correttamente l'ultimo barattolo e di posizionare quello successivo vuoto nella posizione di riempimento.
L'azione AX1, se attiva, porta l'SFC1 PRINCIPALE nella fase iniziale P0.
![]() |
| Appunti su: |
|
| Appunti Gestione | ![]() |
| Tesine costruzione | ![]() |
| Lezioni Ingegneria tecnico | ![]() |