Appunti per Scuola e Università
humanisticheUmanistiche
Appunti e tesine di tutte le materie per gli studenti delle scuole medie riguardanti le materie umanistiche: dall'italiano alla storia riguardanti le materie umanistiche: dall'italiano alla storia 
sceintificheScientifiche
Appunti, analisi, compresione per le scuole medie suddivisi per materie scientifiche, per ognuna troverai appunti, dispense, esercitazioni, tesi e riassunti in download.
tecnicheTecniche
Gli appunti, le tesine e riassunti di tecnica amministrativa, ingegneria tecnico, costruzione. Tutti gli appunti di AppuntiMania.com gratis!
Appunti
tecniche
AeronauticaAgricoltura agrariaArchitetturaAutomobileCostruzione
Demografia urbanisticaElettronica elettricitaForensicsIngegneria tecnicoVela


AppuntiMania.com » Tecniche » Appunti di Elettronica elettricita » Analisi di un circuito R-L-C

Analisi di un circuito R-L-C




Visite: 3423Gradito:apreciate stela [ Picolo appunti ]
Leggi anche appunti:

L’energia


L’ENERGIA Energia, dal greco energheia (azione efficace), è il termine che dall’inizio

Derivatore ideale


Derivatore ideale Questa configurazione prende il nome di derivatore ideale,

Interfaccia grafica


Interfaccia Grafica In questo capitolo verrà descritto l’utilizzo dell’interfaccia
immagine di categoria

Scarica gratis Analisi di un circuito R-L-C

Analisi di un circuito R-L-C

da cui si ricava


x + u


Il circuito RLC serie è anche un filtro passabanda tensione – corrente.

La funzione di trasferimento è

dove è la matrice dei complementi algebrici della matrice trasposta

La relazione ingresso-uscita la si può calcolare come:

trasformando si ha:

Calcoliamo adesso alcuni parametri caratteristici :

Segue il diagramma asintotico di Bode dal quale si evince il comportamento da filtro passabanda del circuito RLC

(R=1Ω     L=5e-3 H C=1e-6F)


Analisi di un sistema discreto (ammort.m)

Consideriamo il processo di estinzione graduale di un debito mediante il pagamento di v rate annue. Come ingresso si può considerare la rata che bisogna pagare alla fine del mese (12/v) e come uscita il debito che resta dopo aver pagato la rata. Indicando con i il tasso di interesse percentuale annuo tale processo è descritto dall’equazione:



si ottiene:






Nell’ipotesi che il debito iniziale δ lo si voglia estinguere con N rate ρ costanti determiniamo l’ammontare di ciascuna rata ρ e la legge di decrescita del debito. Se la prima rata viene pagata all’istante 1, essendo per la seguente equazione relativa alla risposta del sistema al gradino


si ottiene :





Da cui se si impone si ottiene



Ad esempio se vogliamo ammortare un debito di 100.000 € in 40 rate (10 anni perché 4 rate all’anno) al tasso del 35% si ha:










Controlliamo il grafico



















Controllore applicato ad un processo

Il controllore PID è un dispositivo di controllo nel quale la variabile di controllo u(t) viene generata come somma di tre contributi detti rispettivamente azione proporzionale, azione integrale , azione derivativa. In figura è rappresentato uno schema di controllo in anello chiuso o in retroazione. In esso il controllore riceve, istante per istante, un informazione sul valore della variabile controllata: questo valore viene comparato con il segnale di riferimento, ed il segnale di errore risultante viene utilizzato per decidere l’azione di controllo. Il segnale di riferimento può essere un gradino o una rampa.

Controllore applicato al processo

Schema semplificato

Processo

(P)

  e v(t) y(t)




Assegnati    

è semplice ricavare che il legame riferimento-uscita nel dominio della s è dato da:

L’uscita del sistema allora la posso scrivere anche come:

Affinché il sistema sia stabile e quindi non esploda, tutti i poli dei denominatori di devono essere o reali e negativi oppure se complessi a parte reale negativa. Studiamo dunque i denominatori . Applicando il criterio di Routh vediamo per quali valori di k le radici sono a parte reale negativa.

1 |1,2k


Affinchè le radici vengano a parte reale negativa non ci devono essere variazioni di segno nella prima colonna della tabella di Routh. Allora 1.2k>0 → k>0

Controlliamo ora per quali valori di k vengono radici reali e per quali valori di k vengono radici complesse coniugate.

Affinchè le radici siano reali e negative , non solo k>0 ma il termine sotto radice deve essere maggiore di zero, quindi

Se il valore di k lo scelgo più grande di 0.21 allora le radici saranno complesse coniugate a parte reale negativa ed il segnale di uscita presenterà un certo numero di oscillazioni prima di assestarsi al valore desiderato.













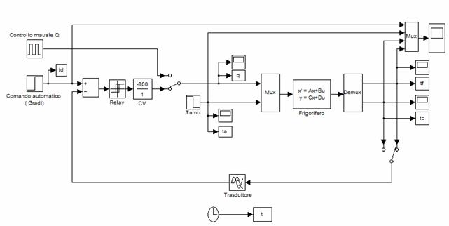
Modello di un sistema con controllore a relè (frig.mdl )

I controllori a relè posseggono in genere solo due condizioni di funzionamento in molti casi semplicemente “acceso” e “spento”. Sono in pratica interpretabili come dei semplici interruttori automatici. L’uso di questi controllori è sconsigliato per sistemi di ordine superiore al primo perché si potrebbe sovraccaricare sia l’attuatore che il processo.


Schema simulink per simulare il sistema a tempo continuo

relè

 

Interruttore1

 



Di seguito analizzeremo sul grafico l’andamento delle 4 temperature: temperatura frigorifero, temperatura corpo, temperatura ambiente, temperatura che si vuole ottenere in uscita.

Temp. desiderata

 

Temp. Frigor.

 

Temp. corpo

 

Temp. ambiente

 


Posso aumentare la potenza del motore (attuatore) variando il valore -800 ad esempio in -1600 in modo che il frigorifero si raffredda più rapidamente.

Se giro l’interruttore 1 sulla freccia collegata al 3° ingresso del mux si nota che la temperatura del frigorifero e di conseguenza quella del corpo risultano avere un andamento anomalo (c’è un sovraccarico del motore). Questo perché è sconsigliato l’uso del controllore a relè quando il sistema è del II ordine.













Scarica gratis Analisi di un circuito R-L-C
Appunti su:



Scarica 100% gratis e , tesine, riassunti



Registrati ora

Password dimenticata?
  • Appunti superiori
  • In questa sezione troverai sunti esame, dispense, appunti universitari, esercitazioni e tesi, suddivisi per le principali facoltà.
  • Università
  • Appunti, dispense, esercitazioni, riassunti direttamente dalla tua aula Universitaria
  • all'Informatica
  • Introduzione all'Informatica, Information and Comunication Tecnology, componenti del computer, software, hardware ...

Appunti Gestione Gestione
Tesine Ingegneria tecnico Ingegneria tecnico
Lezioni costruzione costruzione