Appunti per Scuola e Università
humanisticheUmanistiche
Appunti e tesine di tutte le materie per gli studenti delle scuole medie riguardanti le materie umanistiche: dall'italiano alla storia riguardanti le materie umanistiche: dall'italiano alla storia 
sceintificheScientifiche
Appunti, analisi, compresione per le scuole medie suddivisi per materie scientifiche, per ognuna troverai appunti, dispense, esercitazioni, tesi e riassunti in download.
tecnicheTecniche
Gli appunti, le tesine e riassunti di tecnica amministrativa, ingegneria tecnico, costruzione. Tutti gli appunti di AppuntiMania.com gratis!
Appunti
scientifiche
Astronomia cosmologiaChimicaEconomiaEducazione fisicaFisica
MatematicaStatistica


AppuntiMania.com » Scientifiche » Appunti di Fisica » La velocita' della luce

La velocita' della luce




Visite: 1589Gradito:apreciate 5-stela [ Picolo appunti ]
Leggi anche appunti:

La relatività ristretta


La relatività ristretta Per descrivere un qualsiasi fenomeno fisico si deve

L'Iran e il nucleare


L'Iran e il nucleare 1.1 Il Trattato di Non Proliferazione delle Armi Nucleari (NPT) L'Iran ha

L'infinito scientifico


L'INFINITO SCIENTIFICO 1.1.Dall'"àtomon" di Democrito ai quark di Gell-Mann. Uno
immagine di categoria

Scarica gratis La velocita' della luce

LA VELOCITA' DELLA LUCE


Misure nel vuoto

La prima valutazione quantitativa della velocità della luce non fu ottenuta infatti mediante un esperimento terrestre, ma attraverso un esperimento che utilizzava come sorgente luminosa un satellite di Giove e come distanza quella esistente fra questo pianeta e la Terra.

Il progetto e la realizzazione dell'esperimento fu opera di Roemer e venne eseguito nel 1675.

Per comprendere il principio che sta alla sua base conviene considerare prima la seguente analogia.

Si immagini che una sorgente luminosa S ruoti attorno a un mappamondo M con velocità angolare costante impiegando un tempo T a compiere un giro completo. Un osservatore fermo rispetto al mappamondo vedrà allora la sorgente S scomparire dietro il mappamondo e poi ricomparire a intervalli regolari di tempo di durata pari a T (fig. 9A).

Supponiamo ora che l'osservatore A sia in moto rispetto al mappamondo, ad esempio che si stia muovendo verso di esso con velocità costante v (fig. 9B).

Nel tempo T durante il quale S compie un intero giro intorno a M, l'osservatore A sarà avanzato di un tratto AB verso M. Perciò, ora, la luce che S emette nell'istante in cui ricompare dalla parte posteriore di M impiegherà, per ritornare ad A, un tempo inferiore a quello che essa impiegava a compiere la stessa operazione quando A era fermo rispetto a M. Misurata la differenza fra questi due tempi e misurato il tratto AB, si può determinare facilmente la velocità della luce.


Roemer utilizzò come "mappamondo" il pianeta Giove, come sorgente luminosa S uno dei quattro satelliti medicei e come tratto AB la distanza percorsa dalla Terra verso Giove nel tempo impiegato dal satellite a percorrere la sua orbita gioviana (fig. 10). Ecco allora che, posta la terra in B, noto il ritardo t rispetto alle previsioni dell'astronomo Cassini valide quando la terra è in A,  dovuto al tempo che la luce impiega per percorrere il tratto AB, si poté dare una stima della sua velocità:



Questo valore, estremamente elevato per quei tempi, fu accolto con molto scetticismo, ma costituì un dato estremamente significativo, poiché per la prima volta attestava il fatto che la velocità della luce era finita, sebbene molto elevata. I dubbi furono dissipati circa cinquant'anni più tardi, quando James Bradley scoprì il fenomeno dell'aberrazione stellare.






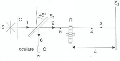
Le prime misure nelle quali si fece ricorso solo a distanze terrestri furono eseguite da Fizeau nel 1849. Un raggio di luce proveniente dalla sorgente S passa prima attraverso una lamina semitrasparente S1 e quindi attraverso uno dei cavi di una ruota dentata R. Dopo essersi riflesso sullo specchio S2 posto a distanza L dalla ruota R, il raggio di luce ritornerà su se stesso e, dopo una nuova riflessione sulla lamina semitrasparente S, penetrerà nell'oculare O.

Con la ruota R ferma, un osservatore posto in O vedrà uno stato di luminosità continua.

Supponiamo ora di mettere in moto la ruota R con velocità angolare lentamente crescente. All'inizio, quando la velocità è ancora bassa, in O si osserveranno lampi di luce intermittenti in quanto la luce una volta passerà attraverso un cavo della ruota e un istante dopo verrà fermata dal dente contiguo a esso.

A un certo punto però, quando cioè la velocità angolare della ruota è tale per cui il tempo impiegato da un dente a sostituirsi al cavo contiguo è identico al tempo impiegato dalla luce a percorrere il tragitto R-S2-R, l'osservatore posto in O non vedrà più alcuna luce. Nelle condizioni sopra precisate infatti, la luce che, partita da S, attraverserà un cavo della ruota R, incontrerà, al suo ritorno, il dente contiguo e non potrà giungere nell'oculare. La misura della velocità angolare w della ruota che realizza questa condizione di oscuramento e la misura della distanza R-S2-R consentono ora di determinare la velocità di propagazione della luce.

Infatti, indicato con a l'angolo che insiste su un dente (o su un cavo) della ruota, il tempo Dt impiegato da un dente a sostituire un cavo vale:



e d'altra parte è anche:


da cui:



Con questa tecnica sperimentale Fizeau ottenne per c il valore di 3,15E08 m/s. La distanza fra R e S2 era però di quasi nove chilometri e questo ci fa capire che anche questo tipo di esperimento non poteva essere eseguito in un normale laboratorio.


Dieci anni più tardi Foucault riuscì a misurare la velocità della luce in laboratorio, sostituendo la ruota dentata di Fizeau con uno specchio rotante. Sul finire del secolo Michealson migliorò talmente il dispositivo di Foucoult da poter effettuare misure ancora più precise. Oggi conosciamo la velocità della luce della luce nel vuoto con molta precisione, essa vale:

c= (299 792 456,2±1,1)m/s






Misure nella materia

Nel 1862 fu lo stesso Léon Foucault a misurare per la prima volta con il suo dispositivo la velocità di propagazione della luce nell'acqua e nel solfuro di carbonio. Si ottennero dei valori considerevolmente più piccoli di quelli della velocità nel vuoto: cadeva così definitivamente la controversia fra la teoria corpuscolare di Newton e la teoria ondulatoria di Huygens. Il risultato di Foucault infatti smentiva la prima, che dovette essere abbandonata.


In definitiva la velocità della luce nella materia è minore di quella nel vuoto, il che significa che la luce è un fenomeno ondulatorio. Una volta confermata la teoria di Huygens, è possibile determinare facilmente la velocità della luce nei mezzi materiali utilizzando l'indice di rifrazione. Poiché l'indice di rifrazione dipende fortemente dal mezzo ed è più piccolo per la luce rossa che per quella violetta, possiamo dire che nella materia, la velocità della luce dipende dal mezzo e dal colore. La luce rossa è leggermente più veloce di quella violetta.












Scarica gratis La velocita' della luce
Appunti su:



Scarica 100% gratis e , tesine, riassunti



Registrati ora

Password dimenticata?
  • Appunti superiori
  • In questa sezione troverai sunti esame, dispense, appunti universitari, esercitazioni e tesi, suddivisi per le principali facoltà.
  • Università
  • Appunti, dispense, esercitazioni, riassunti direttamente dalla tua aula Universitaria
  • all'Informatica
  • Introduzione all'Informatica, Information and Comunication Tecnology, componenti del computer, software, hardware ...

Appunti Biologia Biologia
Tesine Chimica Chimica
Lezioni Geografia Geografia